









| Barva/povrchová úprava | Čelní plech: satén, střelková závora a závora: pozink, Tělo zámku: pozink |
|---|---|
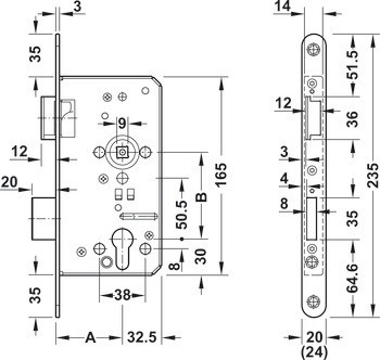
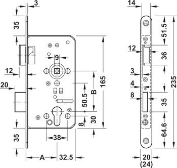
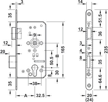
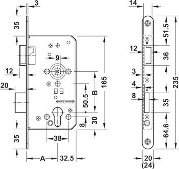
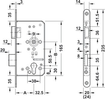
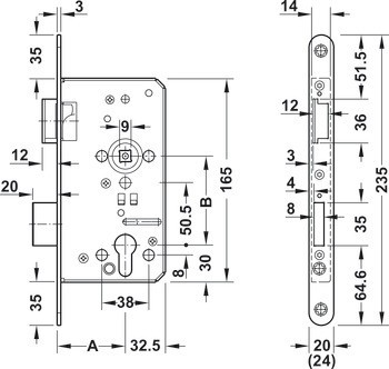
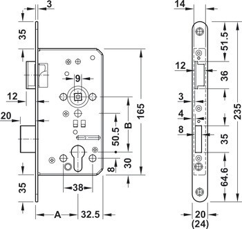
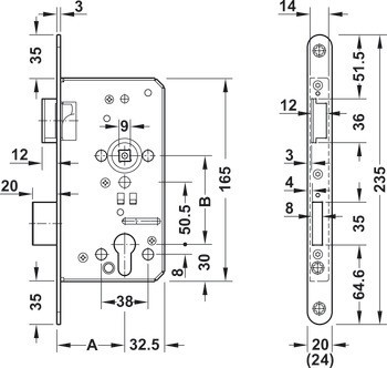
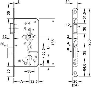
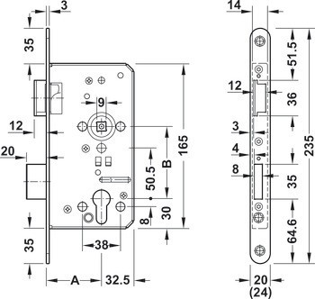
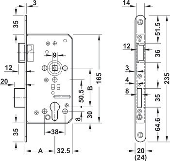
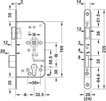
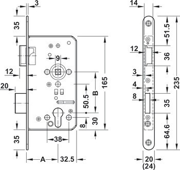
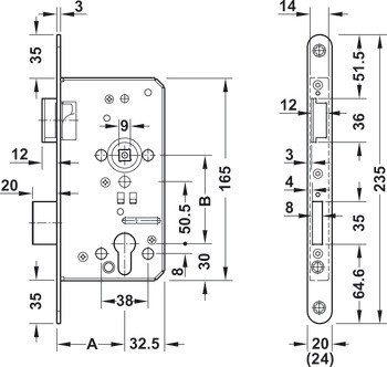
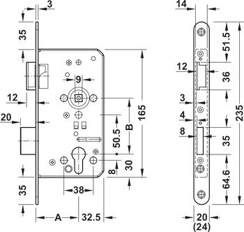
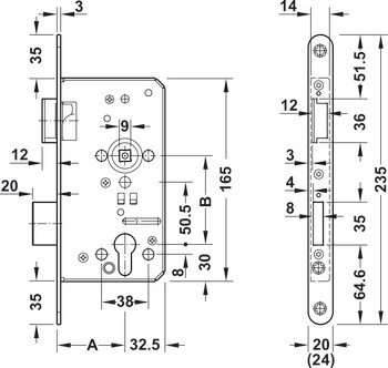
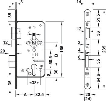
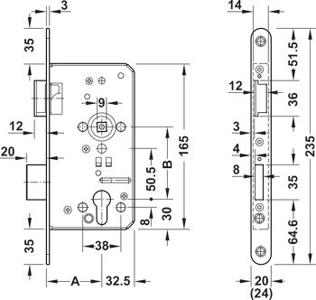
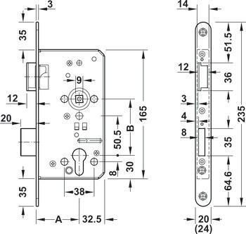
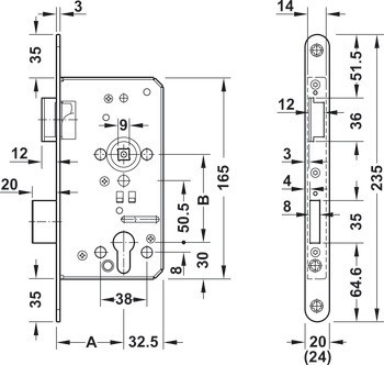
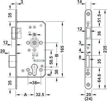
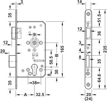
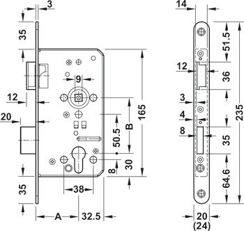
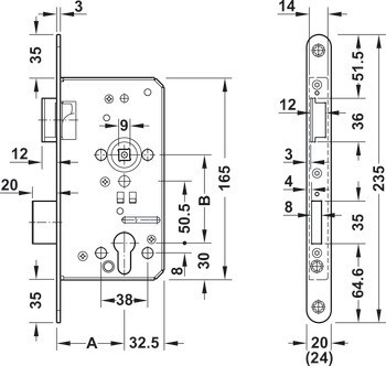
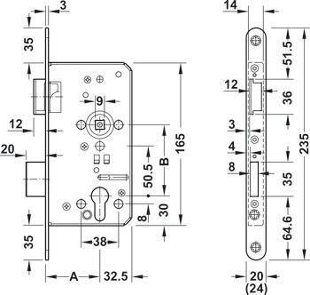
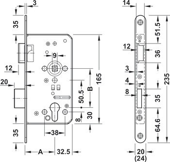
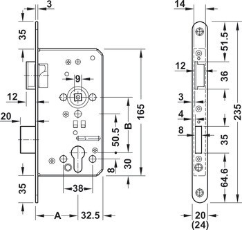
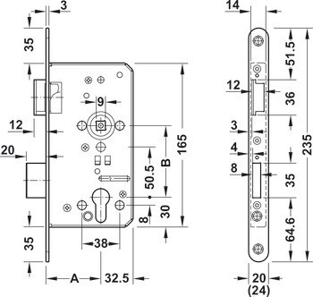
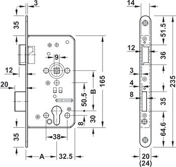
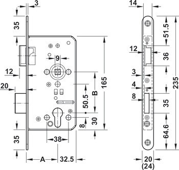
| Backset | | 55,00 mm | 65,00 mm | 55.00 mm | 65,0 mm |
| Rozměr zdvihu závory | 20,00 mm | 20.00 mm | 20,0 mm |
| Montáž | | DIN levý | DIN pravý |
| Pro materiál dveří | dřevo|Ocel |
| Konstrukce dveří | | Falcové | Bezfalcové |
| Funkčnost | Bez převodu |
| Pro typ dveří | Únikové dveře|Únikové a panikové dveře|Požárně odolné a kouřotěsné dveře |
| Připraveno pro | Profilová vložka |
| Zdvih závory | 2 otáčky |
| Ořech kliky | 9,00 mm | 9.00 mm | 9,0 mm |
| Rozteč | 72,00 mm | 72.00 mm | 72,0 mm |
| Šířka čelního plechu | | 20,00 mm | 24,00 mm | 24.00 mm | 24,0 mm |
| Design čelního plechu | Plochý čelní plech zaoblený |
| Norma | Certifikováno v souladu s EN 179:2008Certifikováno v souladu s EN 1125:2012Normy EN 179:2008 a EN 1125:2012 lze splnit pouze ve spojení se společně testovanými sadami kování. |
| Pro počet dveří | 1křídlé dveře |
| Rozsah použití | Únikové cesty a panikové prostory |
| Verze ořechu kliky | Dělený ořech |
| Délka čelního plechu | 235,00 mm | 235.00 mm | 235,0 mm |
| Funkce panikového zámku | Paniková přepínací funkce B |
| Klasifikace v souladu s EN 179 | 3|7|7|W|1|3|4|X|Y|Z |
| Klasifikace v souladu s EN 1125 s dotykovým madlem | 3|7|7|B|1|3|2|1|A|B |
| Klasifikace v souladu s EN 1125 s tlačným madlem | 3|7|7|B|1|3|2|2|B|B |
| Směr otevírání | | Ven | Dovnitř |