









| Barva/povrchová úprava | Čelní plech: saténsklopná páčka: nikltělo zámku: pozink |
|---|---|
| Materiál | Čelní plech: Nerezstřelka: Zinková slitinazávora: Ocelčtyřhran: Slinutý kovtělo zámku: Ocel |
| Model | 300 |
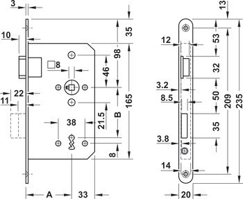
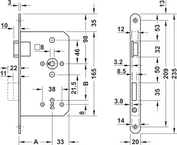
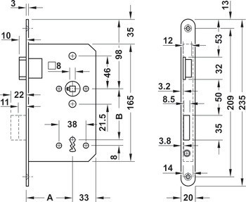
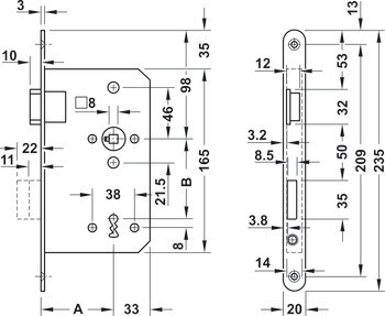
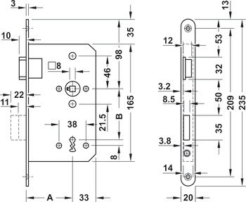
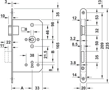
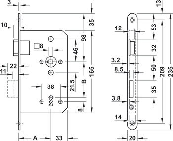
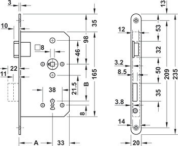
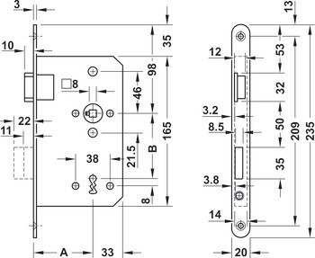
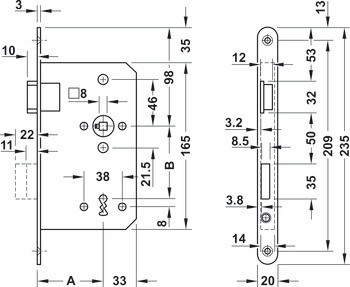
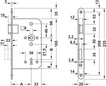
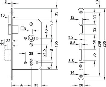
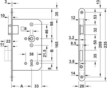
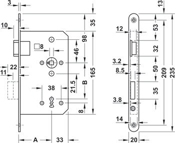
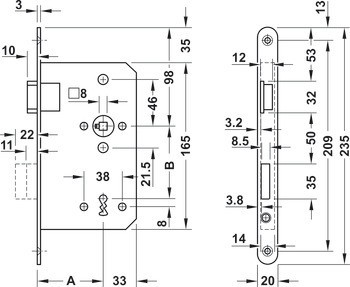
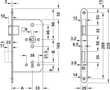
| Backset | | 55,00 mm | 65,00 mm | 65.00 mm | 55.00 mm |
| Montáž | | DIN levý | DIN pravý |
| Pro materiál dveří | dřevo |
| Konstrukce dveří | Falcové |
| Pro typ dveří | Otočné dveře |
| Ořech kliky | 8,00 mm | 8.00 mm |
| Rozteč | 72,00 mm | 72.00 mm |
| Šířka čelního plechu | 20,00 mm | 20.00 mm |
| Design čelního plechu | Plochý čelní plech zaoblený |
| Norma | Vhodnost podle DIN 18251 Část 1, třída 3 |
| Typ zámku | CB |
| Rozsah použití | Objekty |
| Délka čelního plechu | 235,00 mm | 235.00 mm |
| Verze závory | Standardní závora |
| Verze střelky | | Standardní střelka | Střelková závora s tlumením hluku |