




1 zadlabací zámek
1 klíče
1 protiplech

| Barva/povrchová úprava | | Nikl |
|---|---|
| Materiál | | Tělo zámku, čelní plech a protiplech: ocel |
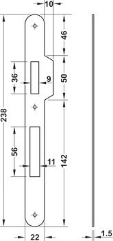
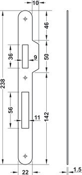
| Backset | | 55.00 mm |
| Montáž | | Pro použití na DIN levé a DIN pravé straně |
| Pro materiál dveří | | Dřevo |
| Konstrukce dveří | | Falcové |
| Pro typ dveří | | Otočné dveře |
| Ořech kliky | | 8.00 mm |
| Rozteč | | 72.00 mm |
| Šířka čelního plechu | | 20.00 mm |
| Design čelního plechu | | Plochý čelní plech zaoblený |
| Typ zámku | | CB |
| Verze závory | | Standardní závora |
| Materiál/povrchová úprava čelního plechu | |
| Verze střelky | | Standardní střelka |
| Ovládání zámku | | Ovládání klíčem |