




1 zadlabací zámek
1 klíč





| Barva/povrchová úprava | | Polyamid šedý, Barva stříbra, lakovaná | Polyamid šedý, Matný | Polyamid šedý, barva stříbra, lakovaná | Polyamid šedý, matná |
|---|---|
| Materiál | | Nerez | Ocel |
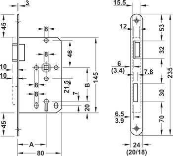
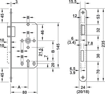
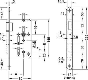
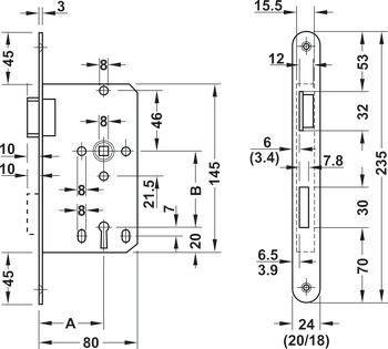
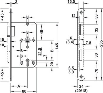
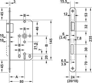
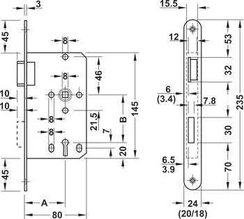
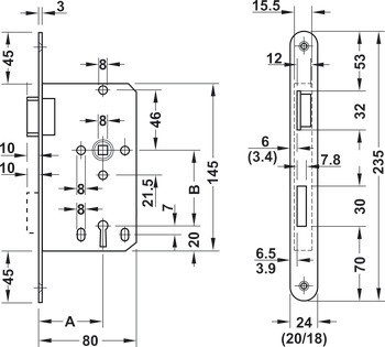
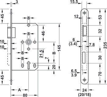
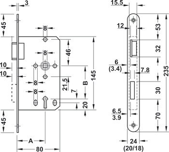
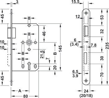
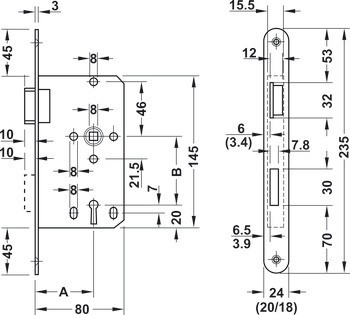
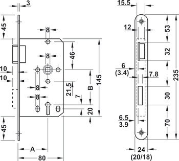
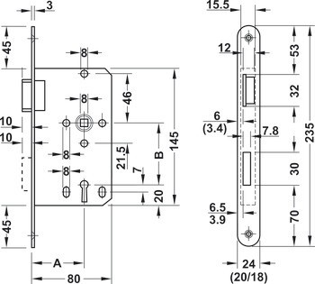
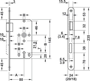
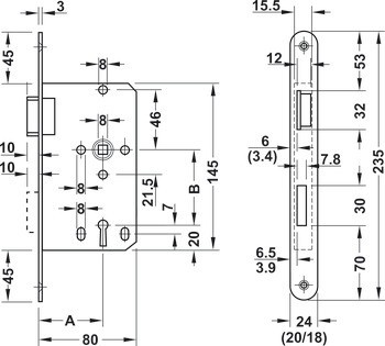
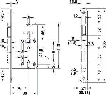
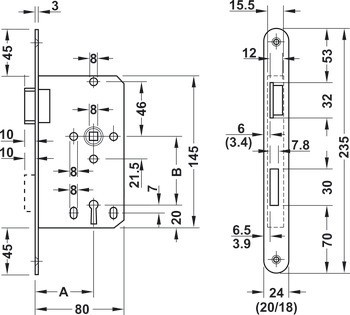
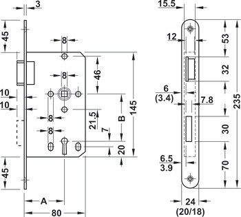
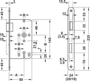
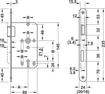
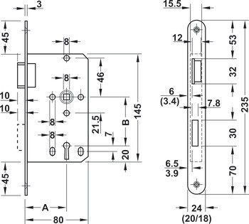
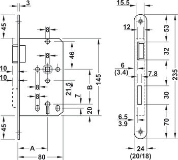
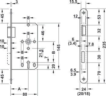
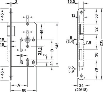
| Backset | 55,00 mm | 55.00 mm |
| Montáž | | DIN levý | DIN pravý |
| Pro materiál dveří | Dřevo |
| Konstrukce dveří | | Falcové | Bezfalcové |
| Pro typ dveří | Otočné dveře |
| Ořech kliky | 8,00 mm | 8.00 mm |
| Rozteč | 72,00 mm | 72.00 mm |
| Šířka čelního plechu | | 20,00 mm | 20.00 mm | 24,00 mm | 18.00 mm | 24.00 mm |
| Design čelního plechu | Plochý čelní plech zaoblený |
| Norma | Vhodnost podle DIN 18251 Část 1, třída 1 |
| Typ zámku | CB |
| Rozsah použití | Rezidenční sektory |
| Délka čelního plechu | 235,00 mm | 235.00 mm |
| Verze závory | Standardní závora |
| Materiál/povrchová úprava čelního plechu | |
| Verze střelky | Standardní střelka |