









| Barva/povrchová úprava | Satén | černá | Matný |
|---|---|
| Materiál | | Čelní plech: Ocelzávora a střelková závora: Zinková slitinatělo zámku: Ocelořech kliky: Zinková slitina/ocelořech závory: Polyamid | Čelní plech: Nerezstřelková závora a závora: zinková slitinatělo zámku: Ocelořech kliky: Zinková slitina/ocelořech závory: Polyamid |
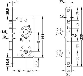
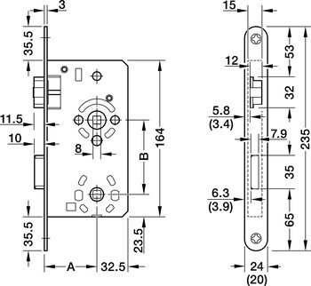
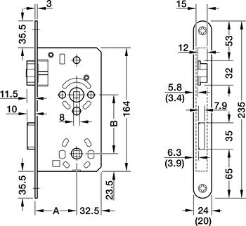
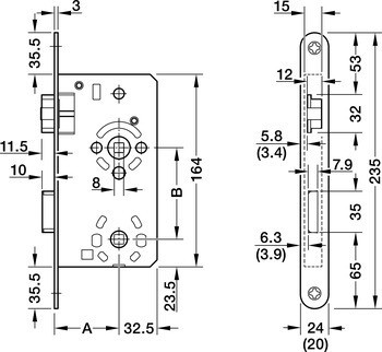
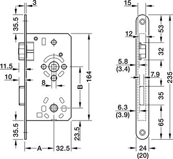
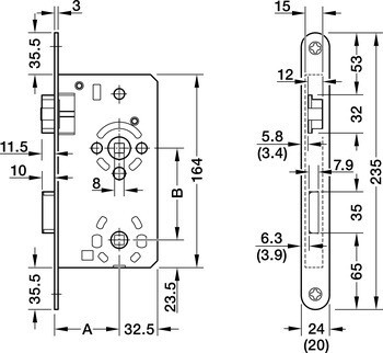
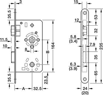
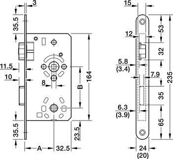
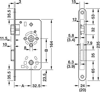
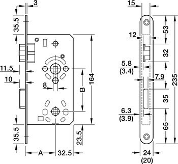
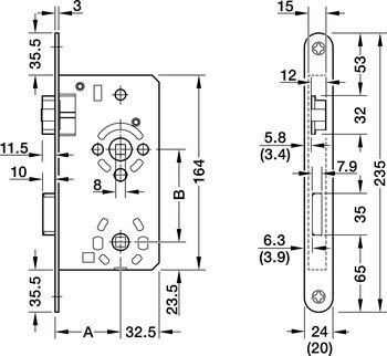
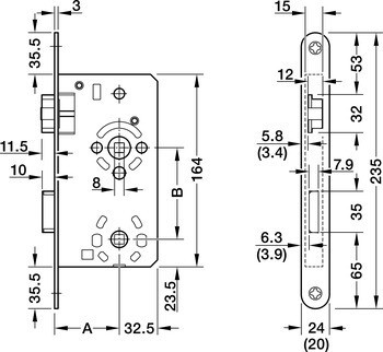
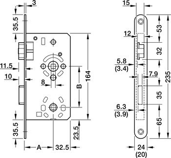
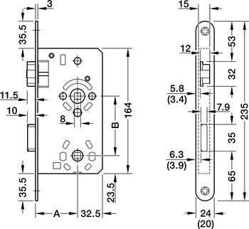
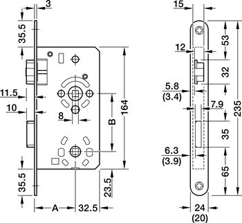
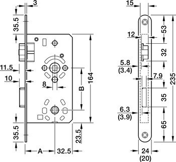
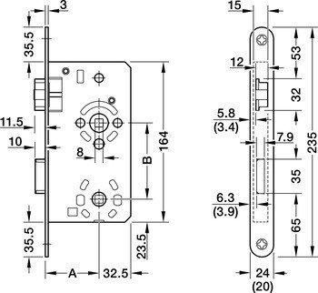
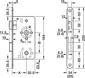
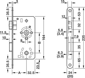
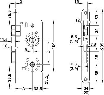
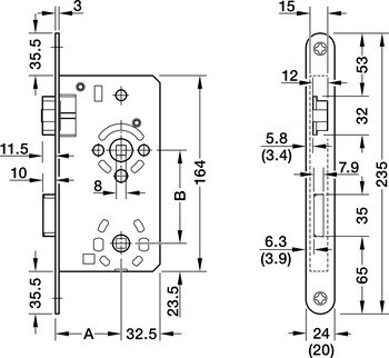
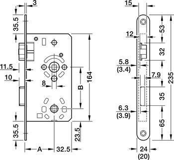
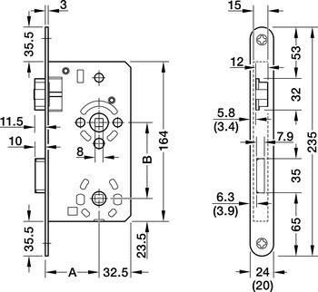
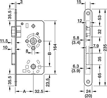
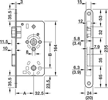
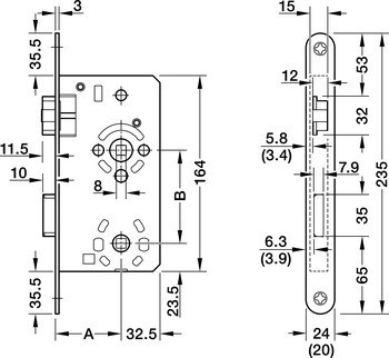
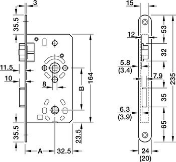
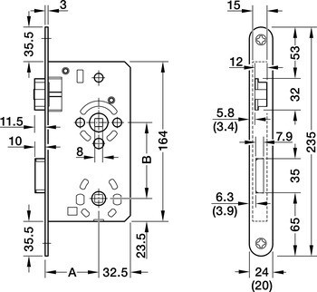
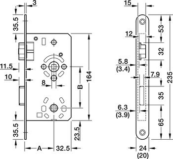
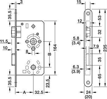
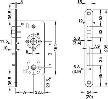
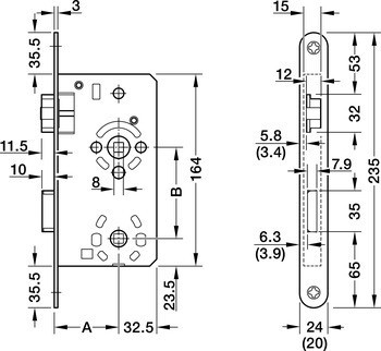
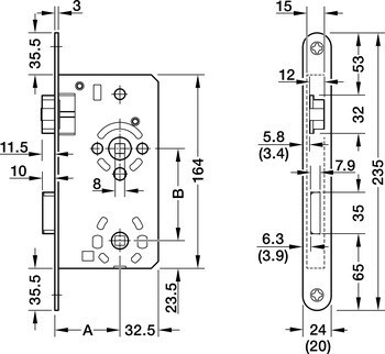
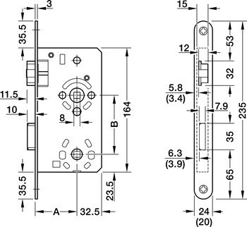
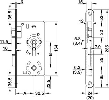
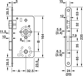
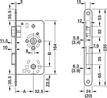
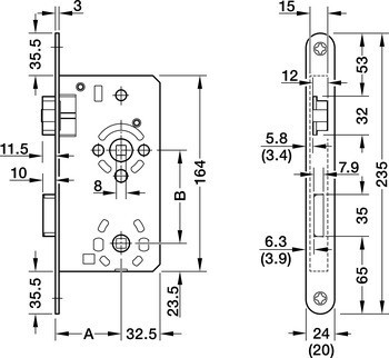
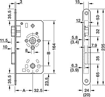
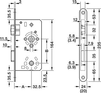
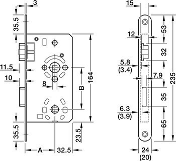
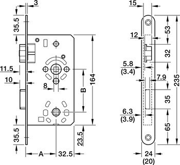
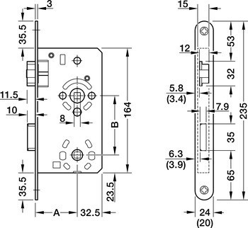
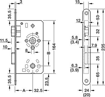
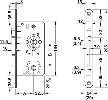
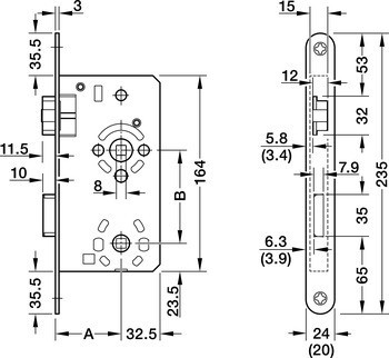
| Backset | | 55,00 mm | 65,00 mm | 65.00 mm |
| Montáž | | DIN levý | DIN pravý |
| Konstrukce dveří | | Falcové | Bezfalcové |
| Pro typ dveří | Otočné dveře |
| Ořech kliky | 8,00 mm | 8.00 mm |
| Rozteč | 78,00 mm | 78.00 mm |
| Šířka čelního plechu | | 20,00 mm | 20.00 mm | 24,00 mm |
| Design čelního plechu | Plochý čelní plech zaoblený |
| Norma | Vhodnost podle DIN 18251 Část 1, třída 3, Certifikováno v souladu s EN 12209: 2003 |
| Typ zámku | WC/koupelna |
| Rozsah použití | Objekty |
| Délka čelního plechu | 235,00 mm | 235.00 mm |
| Verze závory | Standardní závora |
| Materiál/povrchová úprava čelního plechu | |
| Verze střelky | Střelková závora s tlumením hluku |