









| Barva/povrchová úprava | | Satén | Matný | stříbrná |
|---|---|
| Materiál | | Čelní plech: Ocelzávora a střelková závora: Zinková slitinatělo zámku: Ocelořech kliky: Zinková slitina/ocelořech závory: Polyamid | Čelní plech: Nerezstřelková závora a závora: zinková slitinatělo zámku: Ocelořech kliky: Zinková slitina/ocelořech závory: Polyamid |
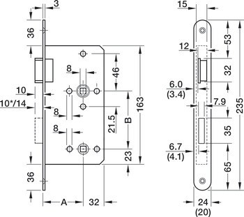
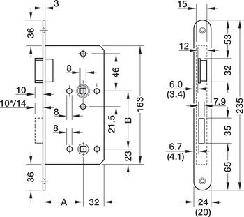
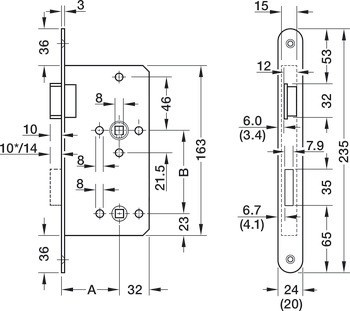
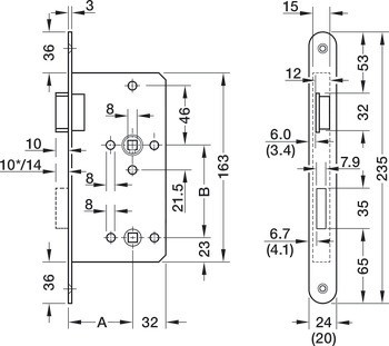
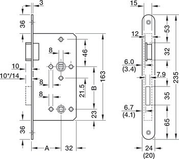
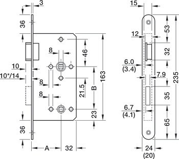
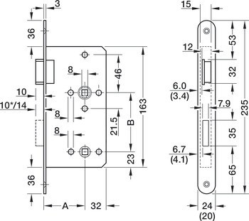
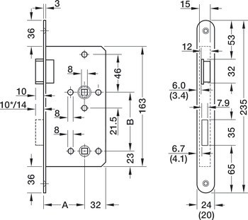
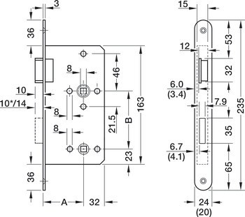
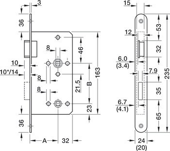
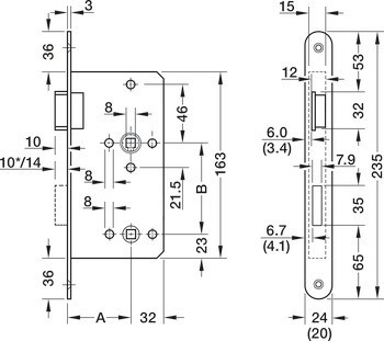
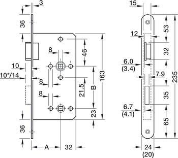
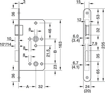
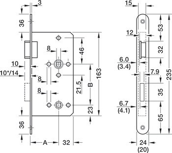
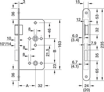
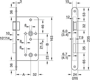
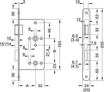
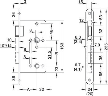
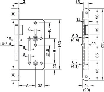
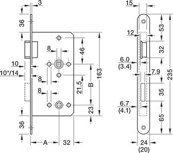
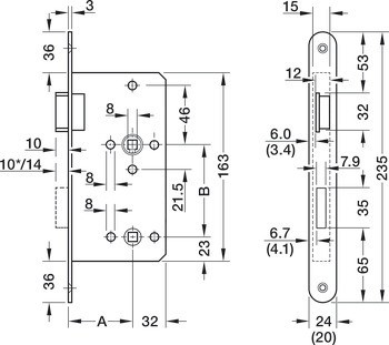
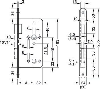
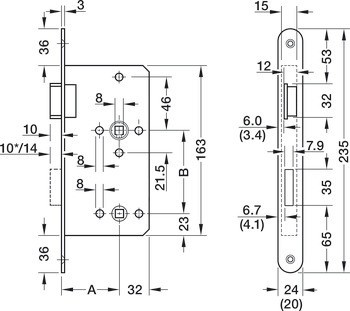
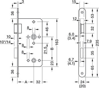
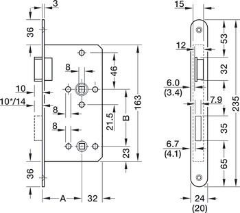
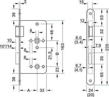
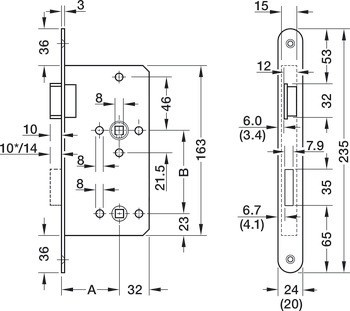
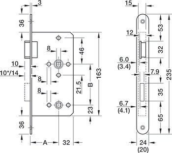
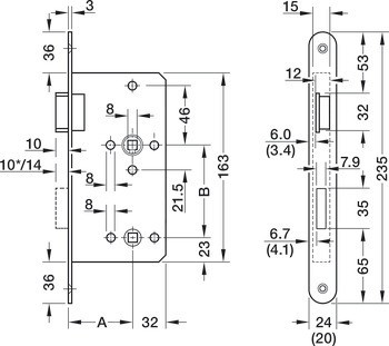
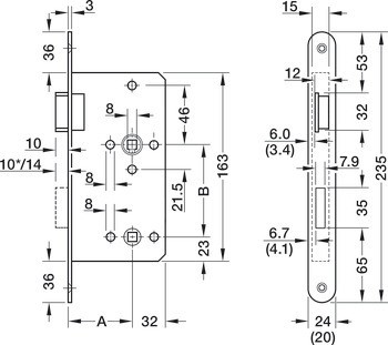
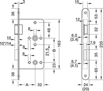
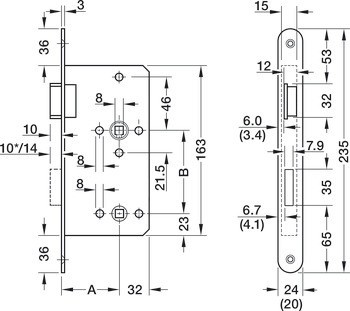
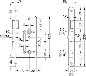
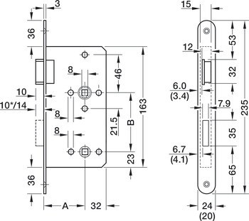
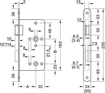
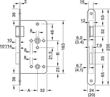
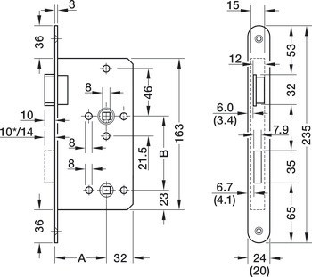
| Backset | | 55,00 mm | 65,00 mm | 55.00 mm | 65.0 mm |
| Montáž | | DIN levý | DIN pravý |
| Pro materiál dveří | Dřevo |
| Konstrukce dveří | Falcové | Bezfalcové |
| Pro typ dveří | Otočné dveře |
| Ořech kliky | | 8.0 mm | 8,00 mm | 8.00 mm |
| Rozteč | | 78,00 mm | 78.00 mm | 78.0 mm |
| Šířka čelního plechu | | 20,00 mm | 20.00 mm | 24,00 mm | 24.00 mm | 20.0 mm |
| Design čelního plechu | Plochý čelní plech zaoblený |
| Norma | Vhodnost podle DIN 18251 Část 1, třída 3, Certifikováno v souladu s EN 12209: 2003 |
| Typ zámku | WC/koupelna |
| Rozsah použití | Objekty |
| Délka čelního plechu | | 235,00 mm | 235.00 mm | 235.0 mm |
| Verze závory | Standardní závora |
| Verze střelky | Standardní střelka |