









| Barva/povrchová úprava | Satén | Matný |
|---|---|
| Materiál | | Čelní plech: Nerezzávora a střelková závora: Zinková slitinatělo zámku: OcelOřech kliky: tvárná litina | Čelní plech: Nerezstřelková závora a závora: zinková slitinatělo zámku: Ocelořech kliky: Tvárná litinaořech závory: Polyamid | Čelní plech: Nerezstřelková závora a závora: zinková slitinaořech kliky: Tvárná litinaořech závory: Polyamidtělo zámku: Ocel |
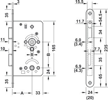
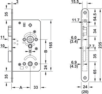
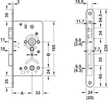
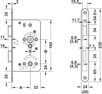
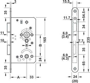
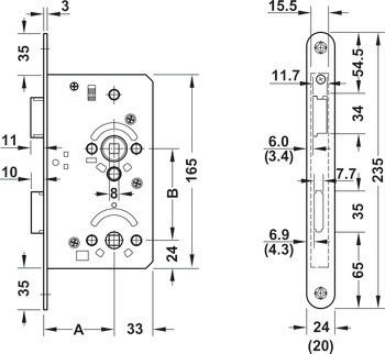
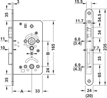
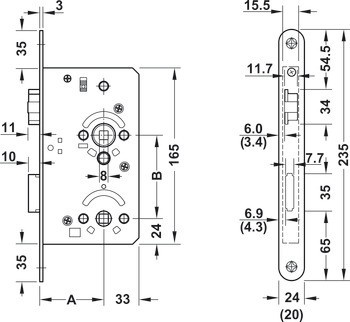
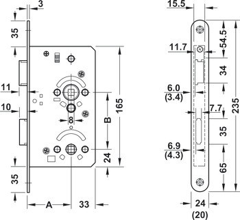
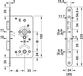
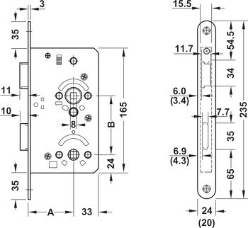
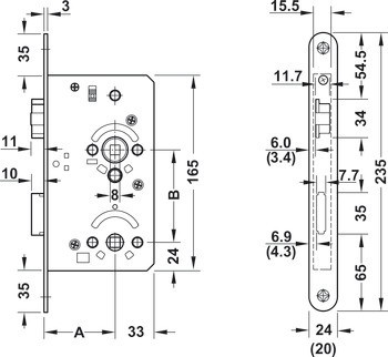
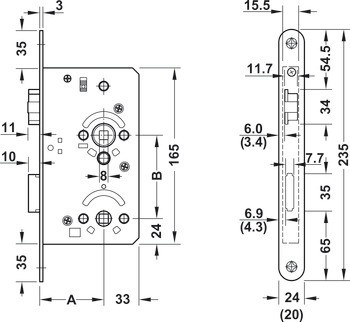
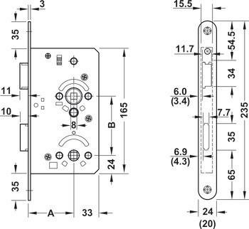
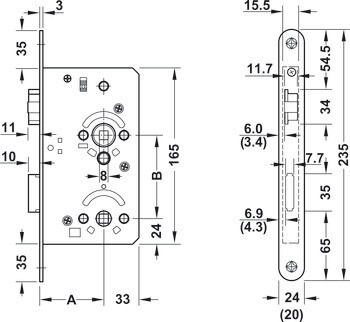
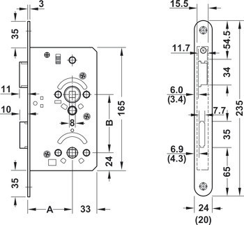
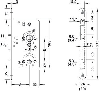
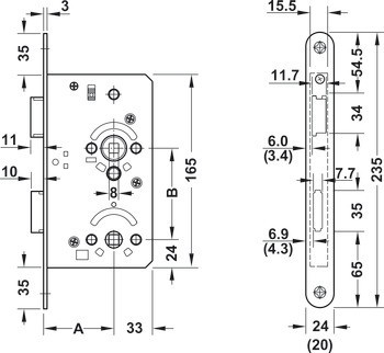
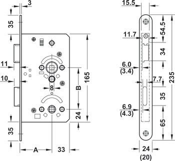
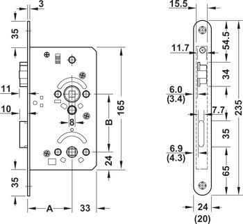
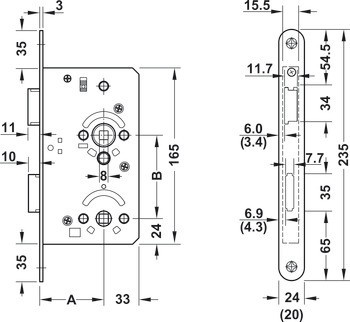
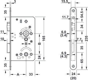
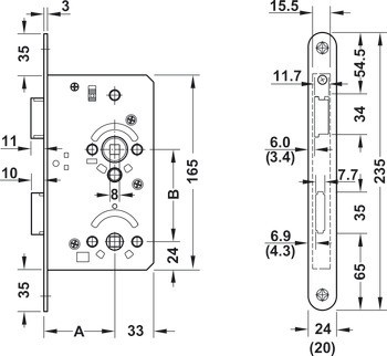
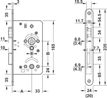
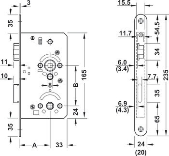
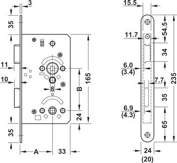
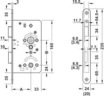
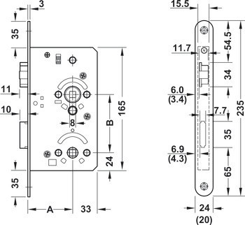
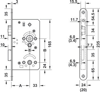
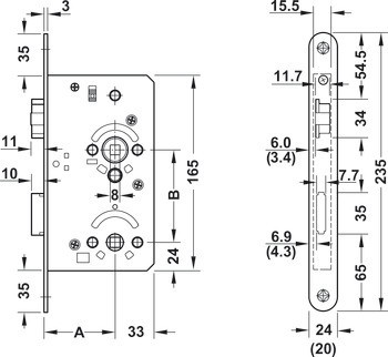
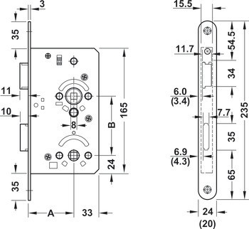
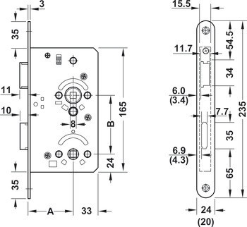
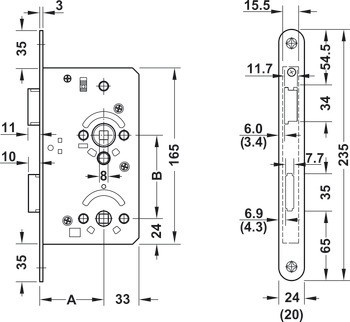
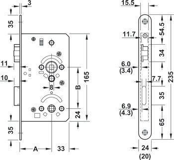
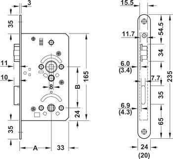
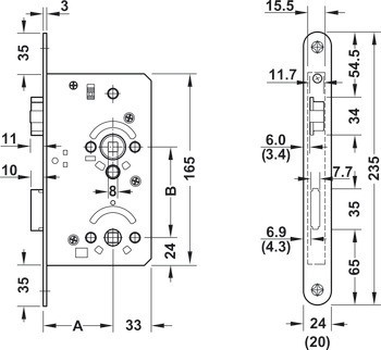
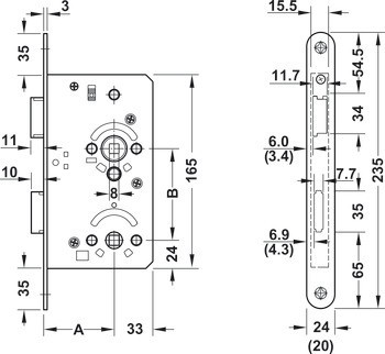
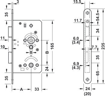
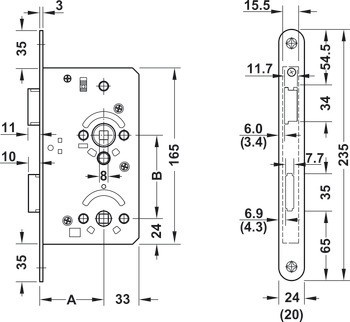
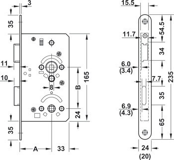
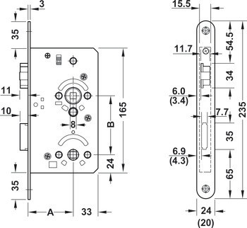
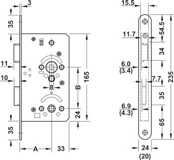
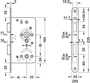
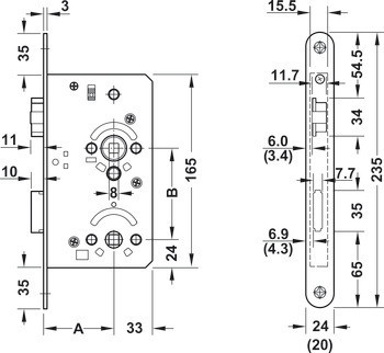
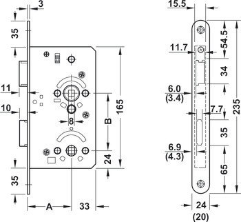
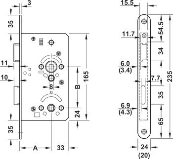
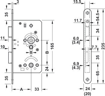
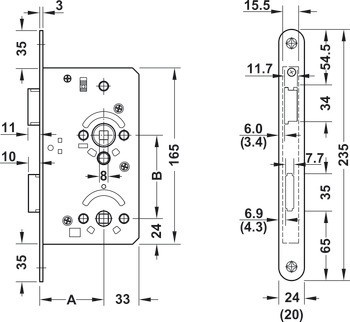
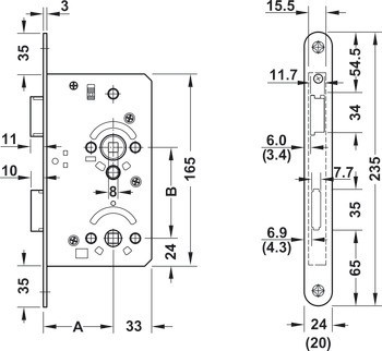
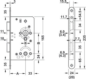
| Backset | | 80,00 mm | 55,00 mm | 65,00 mm | 65.00 mm | 55,0 mm | 65,0 mm |
| Montáž | DIN levý | DIN pravý |
| Pro materiál dveří | dřevo |
| Konstrukce dveří | Falcové | Bezfalcové |
| Funkčnost | s tlumením hluku pro tiché zavírání |
| Pro typ dveří | Otočné dveře |
| Ořech kliky | 8,00 mm | 8.00 mm | 8,0 mm |
| Rozteč | 78,00 mm | 78.00 mm | 78,0 mm |
| Šířka čelního plechu | | 20,00 mm | 20.00 mm | 24,00 mm | 24.00 mm | 20,0 mm | 24,0 mm |
| Design čelního plechu | Plochý čelní plech zaoblený |
| Norma | Vhodnost podle DIN 18251 Část 1, třída 4, Certifikováno v souladu s EN 12209: 2003 |
| Typ zámku | WC/koupelna |
| Rozsah použití | Objekty |
| Délka čelního plechu | 235,00 mm | 235.00 mm | 235,0 mm |
| Verze závory | Standardní závora |
| Verze střelky | | Standardní střelka | Střelková závora s tlumením hluku |
| Klasifikace v souladu s EN 12209 | 3|S|5|0|0|C|3|B|G|2|0 |