




1 zadlabací zámek
1 protiplech


| Barva/povrchová úprava | | matná | barva stříbra, antik, lakovaná |
|---|---|
| Materiál | | Nerez | Ocel |
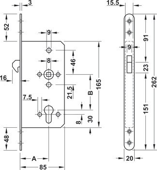
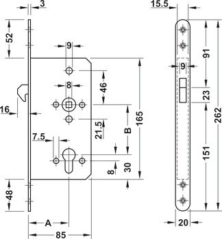
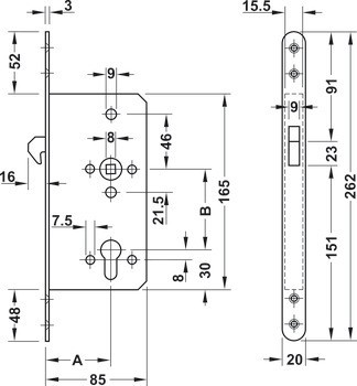
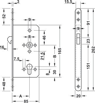
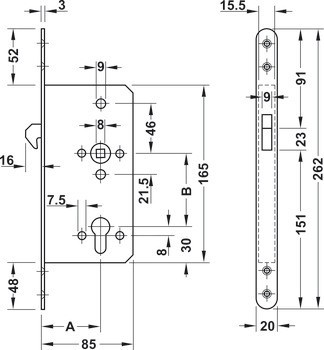
| Backset | 55,00 mm |
| Pro materiál dveří | dřevo |
| Funkčnost | S převodem |
| Pro typ dveří | Posuvné dveře |
| Připraveno pro | Profilová vložka |
| Ořech kliky | 8,00 mm |
| Rozteč | 72,00 mm |
| Šířka čelního plechu | 20,00 mm |
| Design čelního plechu | Plochý čelní plech zaoblený |
| Typ zámku | PC |
| Rozsah použití | Rezidenční sektory |
| Délka čelního plechu | 262,00 mm |
| Materiál/povrchová úprava čelního plechu | |
| Verze střelky | Dveřní zástrč |