




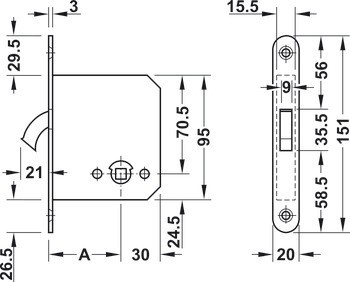
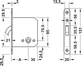
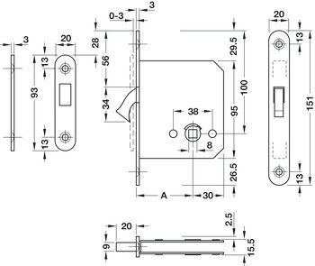
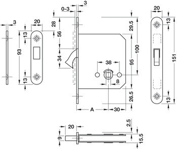
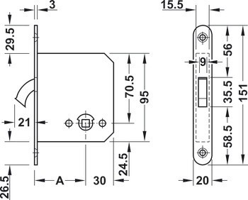
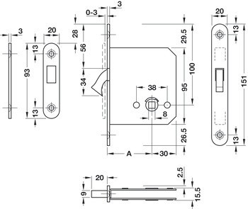
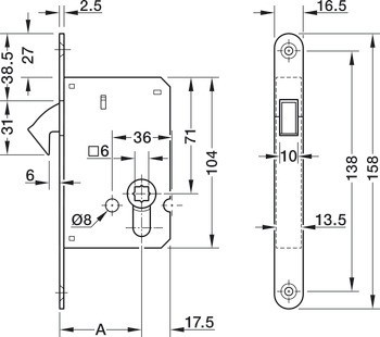
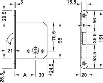
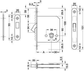
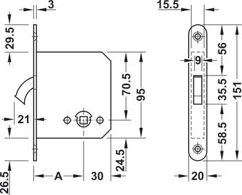
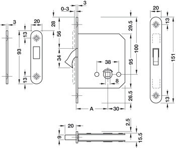
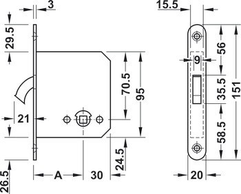
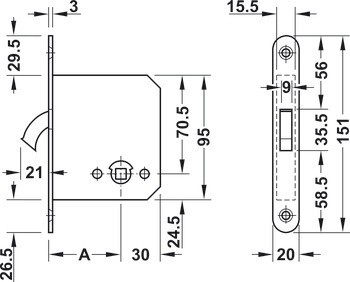
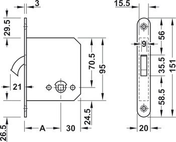
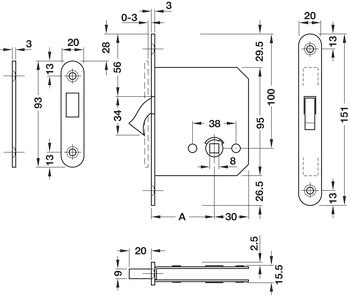
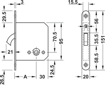
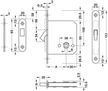
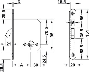
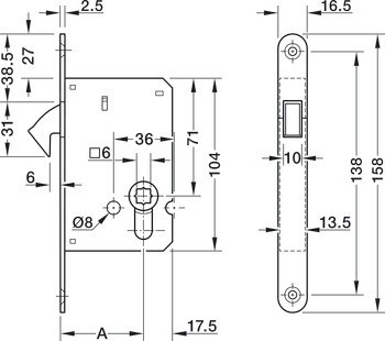
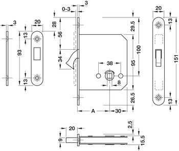
1 zadlabací zámek
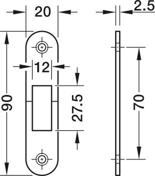
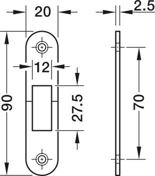
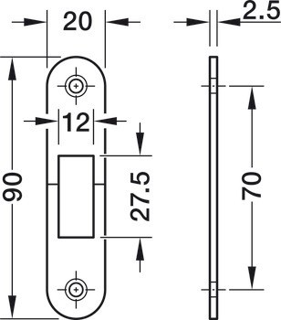
1 protiplech





| Barva/povrchová úprava | | Nikl | matná | Matný | barva stříbra, lakovaná |
|---|---|
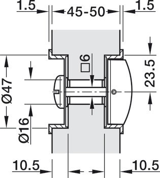
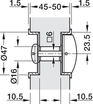
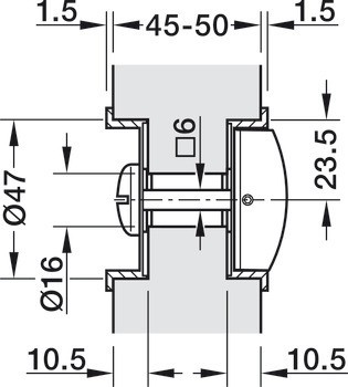
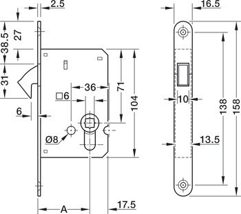
| Pro tloušťku dveří | 45 – 50 mm |
| Materiál | | Nerez | Ocel | Čelní plech, protiplech, kruhová závora, zapuštěné úchytky: mosazTělo zámku: ocel |
| Backset | | 50,00 mm | 55,00 mm | 65,00 mm |
| Pro materiál dveří | dřevo |
| Pro typ dveří | Posuvné dveře |
| Šířka čelního plechu | 20,00 mm | 16,50 mm |
| Design čelního plechu | Plochý čelní plech zaoblený |
| Typ zámku | WC/koupelna |
| Rozsah použití | Rezidenční sektory |
| Délka čelního plechu | 151,00 mm |
| Verze závory | Kruhová závora |
| Materiál/povrchová úprava čelního plechu | |
| Montáž | Čtyřhran 3 mm a 9 mm lze zkrátit |