









| Barva/povrchová úprava | Matný |
|---|---|
| Materiál | | Nerez (třída 1.4016) | Střelková závora, závora a tělo zámku: ocelořech kliky: Tvárná litina |
| Model | 1000 |
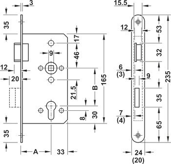
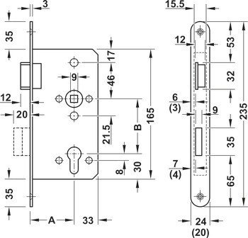
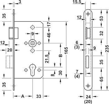
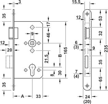
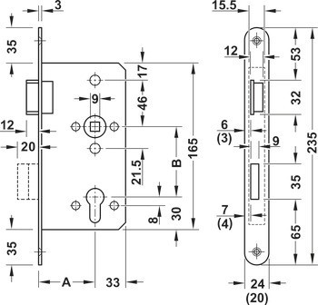
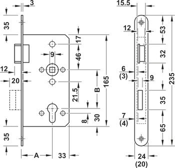
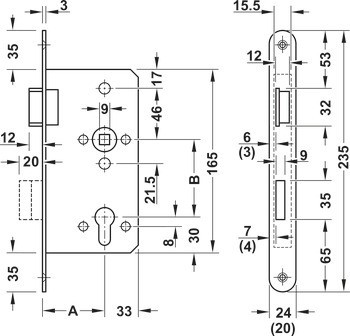
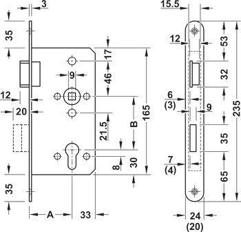
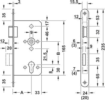
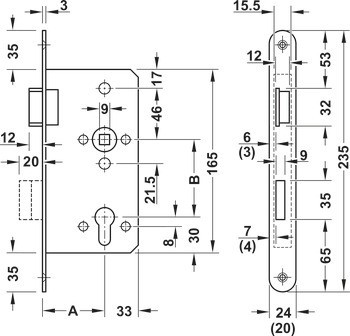
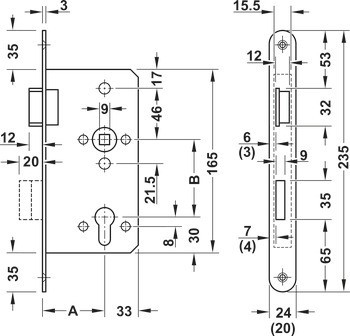
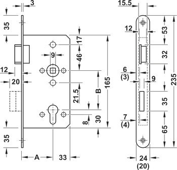
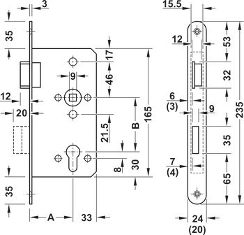
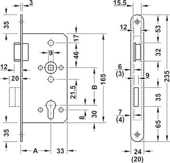
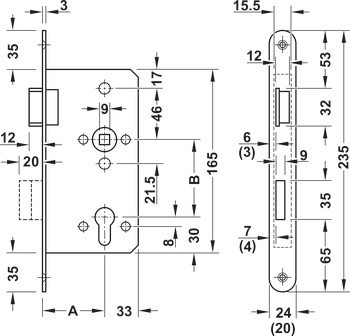
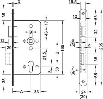
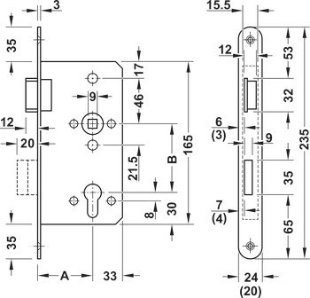
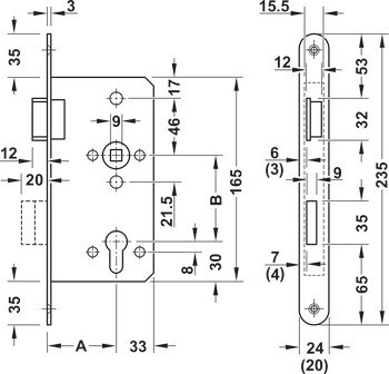
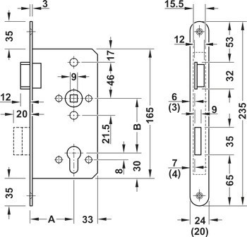
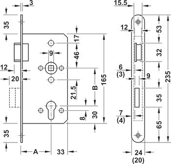
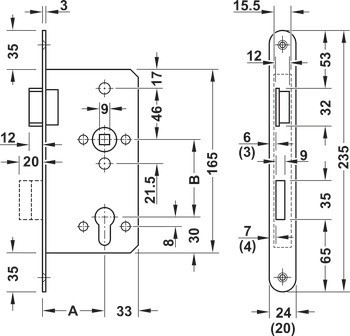
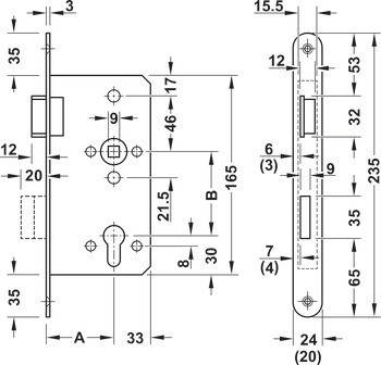
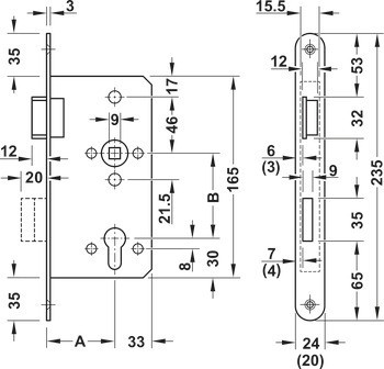
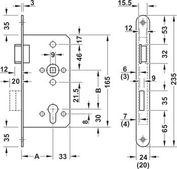
| Backset | | 80,00 mm | 65,00 mm | 80.00 mm | 65.00 mm | 80,0 mm |
| Montáž | | DIN levý | DIN pravý |
| Pro materiál dveří | Dřevo|Ocel |
| Konstrukce dveří | | Falcové | Bezfalcové | Falcové/bezfalcové |
| Funkčnost | S převodem |
| Pro typ dveří | Otočné dveře|Požárně odolné a kouřotěsné dveře |
| Připraveno pro | Profilová vložka |
| Ořech kliky | | 9,00 mm | 9.00 mm | 9,0 mm |
| Rozteč | | 72,00 mm | 72.00 mm | 72,0 mm |
| Šířka čelního plechu | | 20,00 mm | 20.00 mm | 24,00 mm | 24.00 mm | 24,0 mm |
| Design čelního plechu | Plochý čelní plech zaoblený |
| Norma | Certifikováno v souladu s EN 12209: 2003, Kvalita zajištěna kontrolním symbolem |
| Typ zámku | PC |
| Rozsah použití | Objekty |
| Délka čelního plechu | | 235,00 mm | 235.00 mm | 235,0 mm |
| Verze závory | Standardní závora |
| Verze střelky | Standardní střelka | Složená střelka |
| Klasifikace v souladu s EN 12209 | 3|M|5|1|0|F|3|H|C|2|0 |
| Vhodné pro Dialock | DT 210c |
| Vhodné pro elektronický systém řízení kontroly vstupu | Häfele Dialock |