









| Barva/povrchová úprava | Střelková závora: niklTělo zámku: pozink, Čelní plech: saténsklopná páčka: nikltělo zámku: pozink |
|---|---|
| Materiál | Čelní plech: NerezStřelková závora: ocelTělo zámku: ocel |
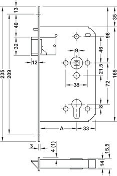
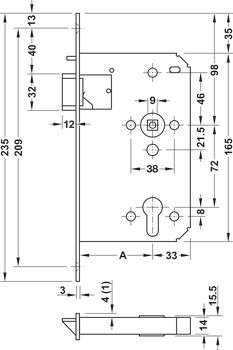
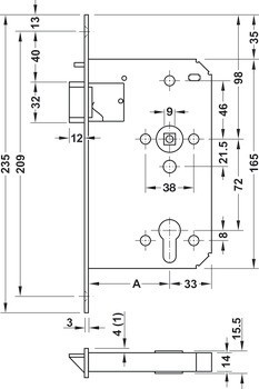
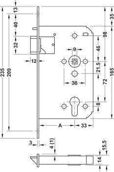
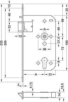
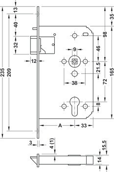
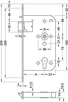
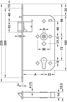
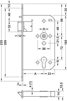
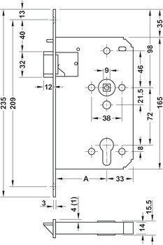
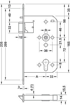
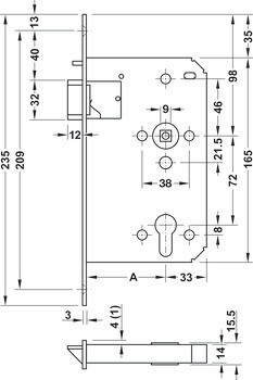
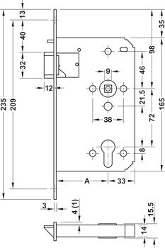
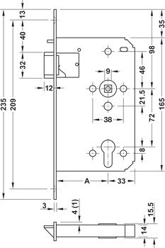
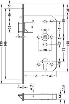
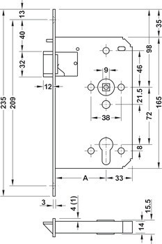
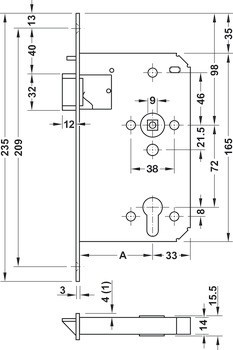
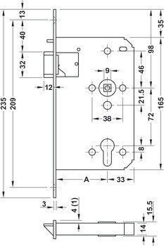
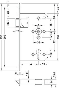
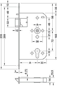
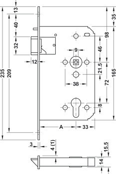
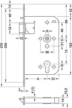
| Backset | 65,00 mm | 65.00 mm |
| Montáž | | DIN levý | DIN pravý |
| Pro materiál dveří | dřevo|Ocel |
| Konstrukce dveří | | Falcové | Bezfalcové |
| Funkčnost | s blokovací střelkou |
| Pro typ dveří | Únikové dveře|Požárně odolné a kouřotěsné dveře |
| Připraveno pro | Vložka s knobkou |
| Ořech kliky | 9,00 mm | 9.00 mm |
| Rozteč | 72,00 mm | 72.00 mm |
| Šířka čelního plechu | | 20,00 mm | 20.00 mm | 24,00 mm |
| Design čelního plechu | Plochý čelní plech zaoblený |
| Norma | Certifikováno v souladu s EN 179:2008Normu EN 179 lze splnit pouze ve spojení se společně testovanými sadami kování. |
| Pro počet dveří | 1křídlé dveře |
| Rozsah použití | Únikové cesty a panikové prostory |
| Verze ořechu kliky | Dělený ořech |
| Délka čelního plechu | 235,00 mm | 235.00 mm |
| Funkce panikového zámku | Paniková přepínací funkce B |
| Klasifikace v souladu s EN 179 | 3|7|7|B|1|3|5|2|A|B, D |
| Směr otevírání | | Ven | Dovnitř |