









| Barva/povrchová úprava | | matná | Matný |
|---|---|
| Materiál | | Nerez | Nerez (třída 1.4301) |
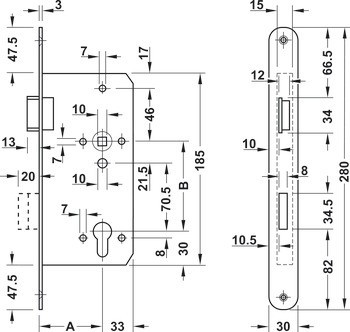
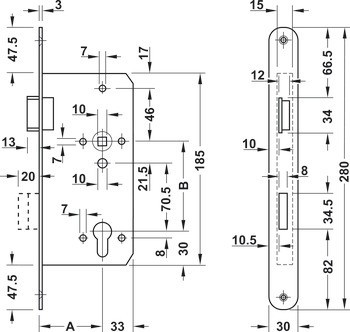
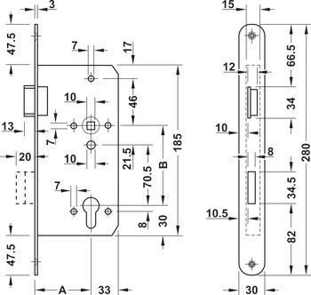
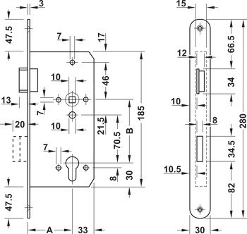
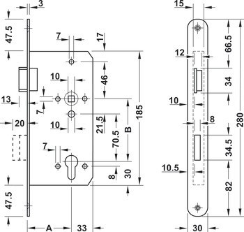
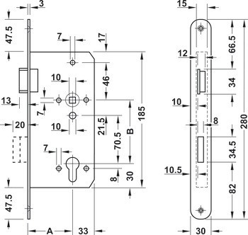
| Backset | | 80,00 mm | 65,00 mm |
| Montáž | | DIN levý | DIN pravý |
| Pro materiál dveří | dřevo |
| Konstrukce dveří | Bezfalcové |
| Funkčnost | S převodem |
| Pro typ dveří | Vchodové dveře do bytu|Vchodové dveře do budovy |
| Připraveno pro | Profilová vložka |
| Ořech kliky | 10,00 mm |
| Rozteč | 92,00 mm |
| Šířka čelního plechu | 30,00 mm |
| Design čelního plechu | Šikmý čelní plech zaoblený |
| Typ zámku | PC |
| Rozsah použití | Rezidenční sektory |
| Délka čelního plechu | 280,00 mm |
| Verze závory | Standardní závora |
| Verze střelky | Standardní střelka |
| Šikmý čelní plech | | 5,00 ° | 10,00 ° |