




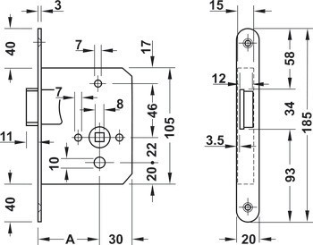
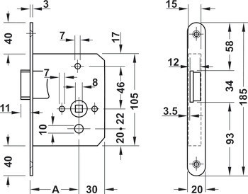
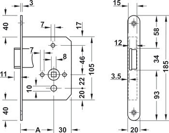
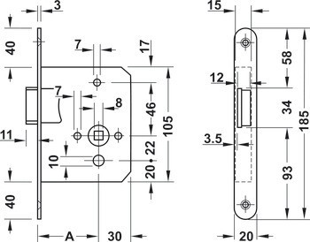
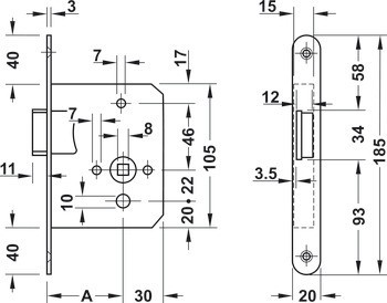
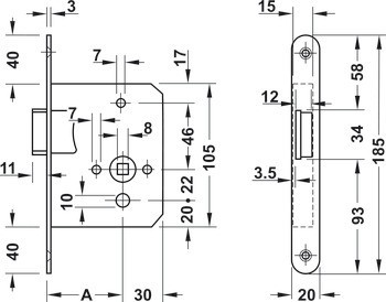
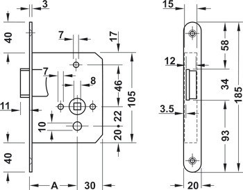
1 zadlabací zámek střelkový
1 protiplech




| Barva/povrchová úprava | | Barva stříbra, lakovaná | matná | Matný | barva stříbra, lakovaná |
|---|---|
| Materiál | | Nerez | Ocel |
| Backset | 55,00 mm | 55.00 mm |
| Montáž | | DIN levý | DIN pravý |
| Pro materiál dveří | Dřevo |
| Konstrukce dveří | Falcové |
| Pro typ dveří | Otočné dveře |
| Ořech kliky | 8,00 mm | 8.00 mm |
| Šířka čelního plechu | 20,00 mm | 20.00 mm |
| Design čelního plechu | Plochý čelní plech zaoblený |
| Rozsah použití | Rezidenční sektory |
| Délka čelního plechu | 185,00 mm | 185.00 mm |
| Verze závory | Bez závory |
| Verze střelky | Standardní střelka |