









| Norma | Kvalita zajištěna kontrolním symbolem a certifikace v souladu s EN 14846Schválené kování pro panikové uzávěry podle EN 179 |
|---|---|
| Materiál | Čelní plech: NerezStřelková závora a tělo zámku: ocelOřech kliky: tvárná litina |
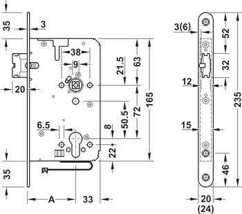
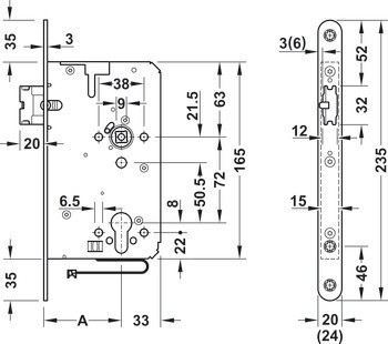
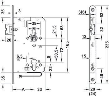
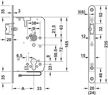
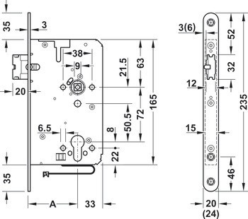
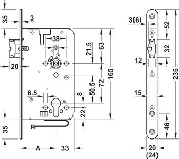
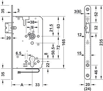
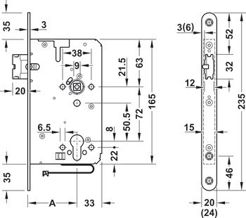
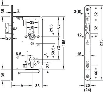
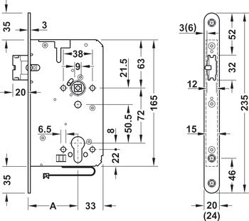
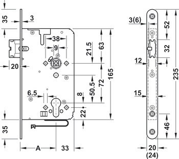
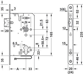
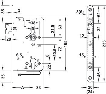
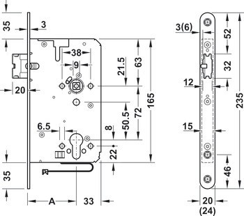
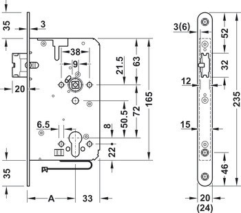
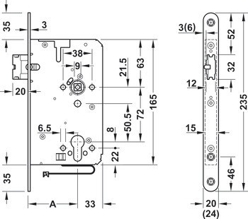
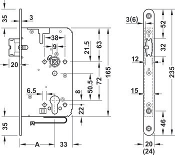
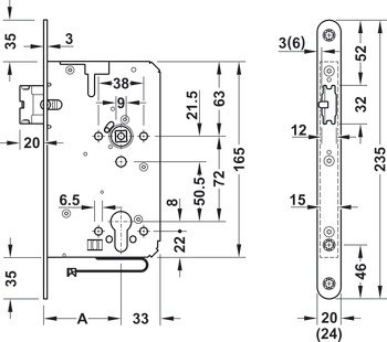
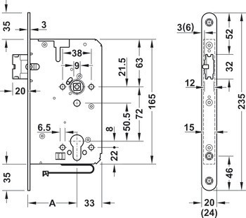
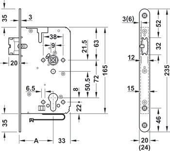
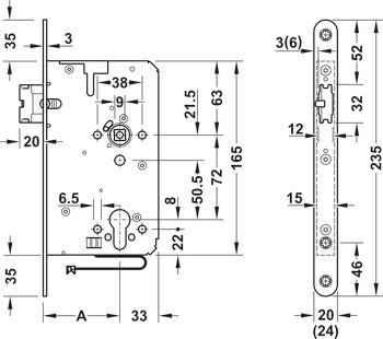
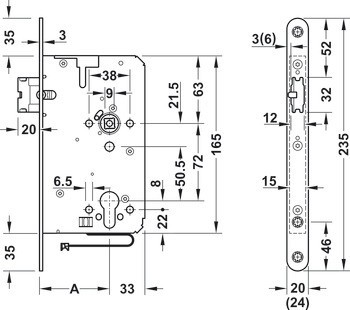
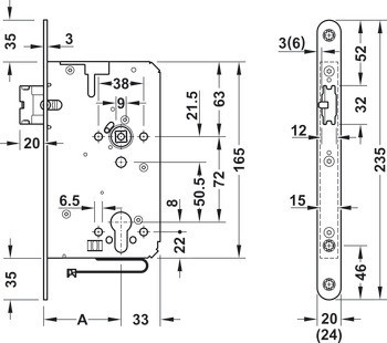
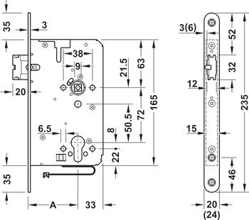
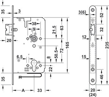
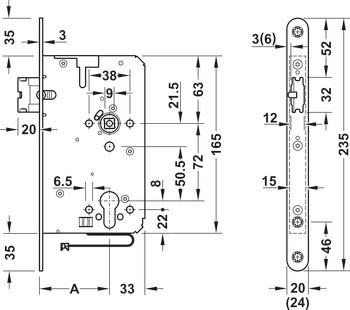
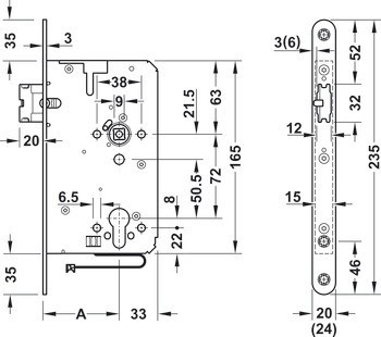
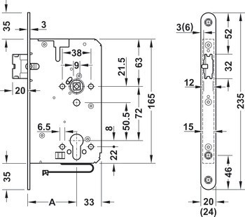
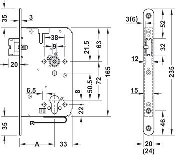
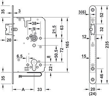
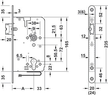
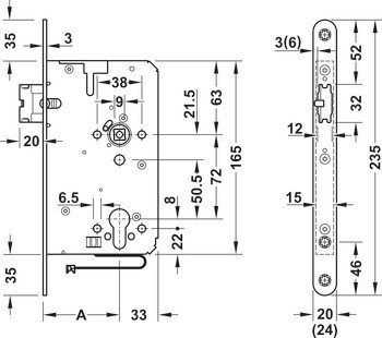
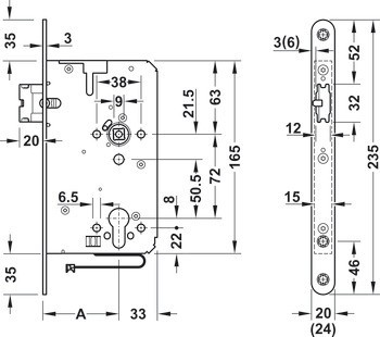
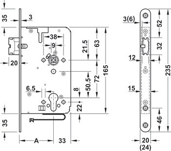
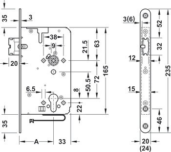
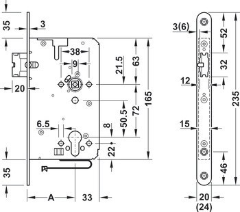
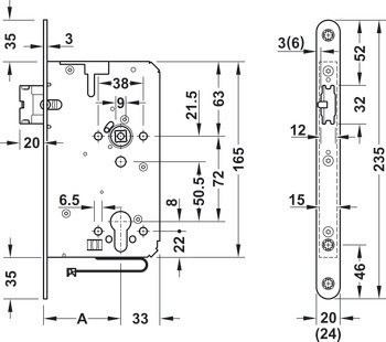
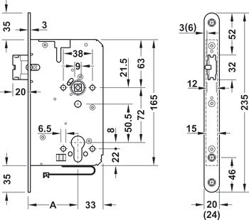
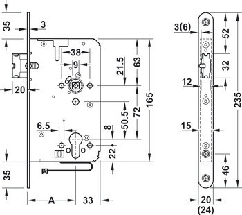
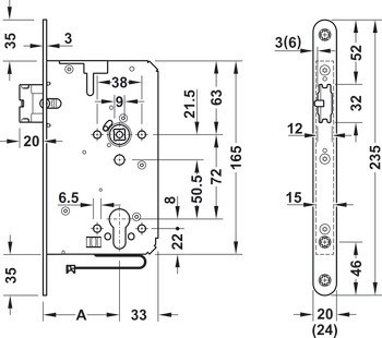
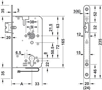
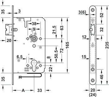
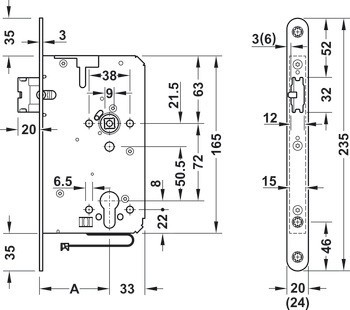
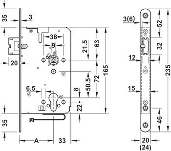
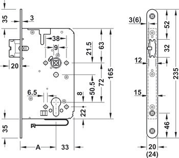
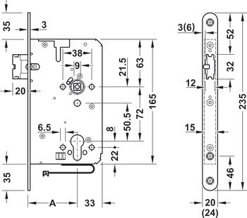
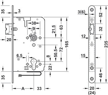
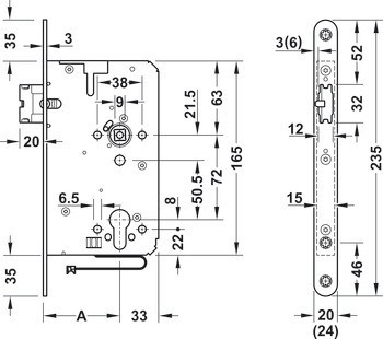
| Backset | | 60,00 mm | 80,00 mm | 55,00 mm | 65,00 mm | 65.00 mm | 65.0 mm | 55.0 mm | 55,0 mm | 80,0 mm |
| Princip funkce | | Lze nastavit panikovou funkci dovnitř a ven | DIN levý a pravý, lze nastavit panikovou funkci dovnitř a ven |
| Montáž | | DIN levý, dovnitř | DIN pravý, dovnitř | DIN levý, ven | DIN pravý, ven |
| Konstrukce dveří | | Falcové | Bezfalcové |
| Funkčnost | S panikovou funkcí|S funkcí nouzového otevření|S monitoringem|Se samozamykáním |
| Pro typ dveří | Požárně odolné a kouřotěsné dveře |
| Připraveno pro | Profilová vložka |
| Zdvih závory | 1 otáčka |
| Ořech kliky | | 9.0 mm | 9,00 mm | 9.00 mm | 9,0 mm |
| Rozteč | | 72,00 mm | 72.00 mm | 72.0 mm | 72,0 mm |
| Šířka čelního plechu | | 20,00 mm | 24,00 mm | 24.00 mm | 20.0 mm | 20,0 mm |
| Design čelního plechu | Plochý čelní plech zaoblený |
| Rozsah použití | Únikové cesty a panikové prostory |
| Funkce panikového zámku | Funkce panikového zamykání C |