




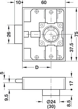
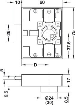
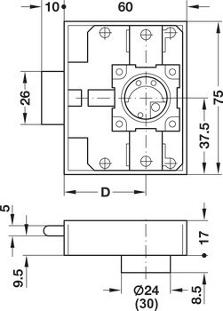
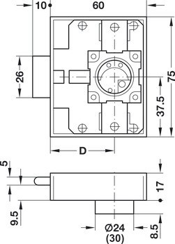
1 zámek se závorou k přišroubování
1 rohový protiplech



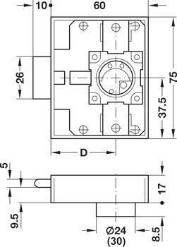
| Verze | S pevnou rozetou pro Ø vrtaného otvoru 24 mm nebo 30 mm |
|---|---|
| Barva/povrchová úprava | Tělo zámku: broušené a niklválcová vložka: lesklá |
| Rozsah použití | Pro přizpůsobení kruhové vložky a otočné olivy ⌀ 22 mm nebo 28 mm |
| Montáž | | Pravý | Levé |
| Materiál | Tělo zámku: ocelválcová vložka: zinková slitina |
| Montáž | | Pravý | Levé |
| Backset | | 40,00 mm | 40.00 mm |
| Rozměr zdvihu závory | | 10,00 mm | 10.00 mm |
| Montáž | | pravé | levé |
| Připraveno pro | Kruhová vložka |