




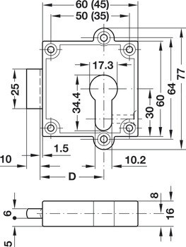
1 Zámek se závorou k přišroubování
1 Rohový protiplech
1 Šroub se zápustnou čočkovou hlavou M5 x 25


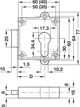
| Verze | S otvorem pro profilovou vložku pro umístění profilových vložek s rozměry v souladu s DIN 18252 |
|---|---|
| Barva/povrchová úprava | Nikl, Matné |
| Rozsah použití | Pro umístění profilových vložek s rozměry v souladu s DIN 18252 |
| Montáž | | K přišroubování | Levý a pravý |
| Materiál | Zinková slitina |
| Model | PZ 60 |
| Montáž | Levý a pravý |
| Backset D | |
| Backset | | 40,00 mm | 25.00 mm |
| Rozměr zdvihu závory | 10,00 mm | 10.00 mm |
| Montáž | levé nebo pravé |
| Připraveno pro | Profilová vložka |