




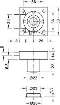
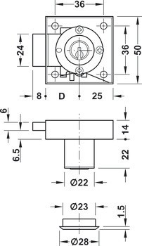
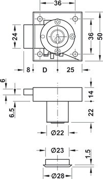
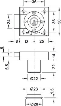
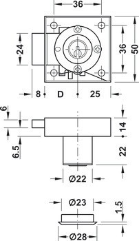
1 zámek se závorou k přišroubování
2 klíče
1 rozeta zámku
1 protiplech
6 upevňovacích šroubů (4 pro zámek, 2 pro protiplech)


| Verze | | se zámkovou vložkou Kaba 8 |
|---|---|
| Barva/povrchová úprava | | Tělo: lesklý niklVložka: matný nikl, Tělo: lesklý niklzávora: broušenávložka: matný nikl |
| Montáž | | Levá, pravá nebo zásuvková verze |
| Materiál | | Tělo: ocel,Závora a vložka: mosaz |
| Montáž | | Levá, pravá nebo zásuvková verze |
| Uzamykací série | | Individuální uzávěr | K1 |
| Tvar vložky | Kruhová vložka |
| Průměr vložky | | 22,00 mm | 22,0 mm |
| Typ uzávěru | | s 8 pinovými stavítky |
| Zamykací systém | | Standardní profil |
| Typ uzavření | Individuální uzávěr | Společný uzávěr |
| Backset | | 25,00 mm | 25,0 mm |
| Rozměr zdvihu závory | | 8,00 mm | 8,0 mm |
| Montáž | Levá, pravá nebo zásuvková verze |
| Délka těla vložky | | 22,00 mm | 22,0 mm |