






| Verze | | Výběr různých designů zakončení |
|---|---|
| Barva/povrchová úprava | | nikl |
| Rozsah použití | | Pro ocelové zárubně s pouzdry k přivaření VARIANT V 8600, V 8610 nebo V 8618, pro falcové dřevěné vnitřní dveře |
| Materiál | | Ocel |
| Model | | V 8550 |
| Modely | V 8550 |
| Montáž | | DIN levý | DIN pravý |
| Tvar příruby | | čtyřhranné |
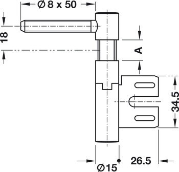
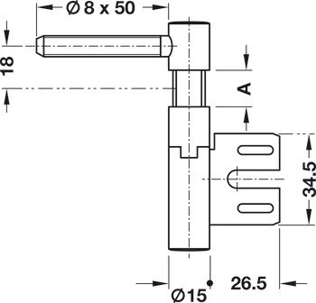
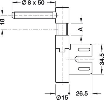
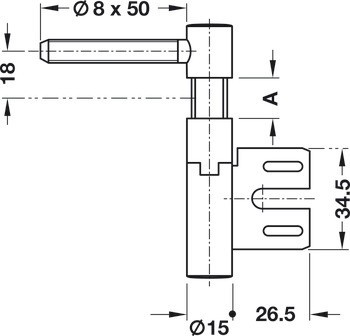
| Průměr patice | | 15,00 mm | 15.00 mm |
| Pro průměr vrtaného otvoru | | Část dveřního křídla 6,8 mm |
| Výška příruby | | 34.5 mm |
| Pro typ zárubně | Ocelový rám |
| Max. hmotnost dveří pro 2 závěsy | | 40.00 kg | 40,00 kg |
| Šířka příruby | | 26.5 mm |
| Pro typ dveří | Dřevěné dveřní křídlo |