






| Verze | | DIN levý | DIN pravý |
|---|---|
| Barva/povrchová úprava | | matný |
| Rozsah použití | | Pro ocelové zárubněpro bezfalcové objektové dveřevhodné pro dodatečnou montáž těžkých dveří na stávající ocelové zárubně s pouze jedním pouzdrem k přivaření V 8600 nebo V 8610 |
| Materiál | | Nerez |
| Model | | VN 8947/160 U Compact |
| Zařízení pro nastavení | | Side adjustment ±3 mm, Height adjustment ±3 mm |
| Pin Diameter | | 10,00 mm |
| Modely | VN 8947/160 U Compact |
| Montáž | | DIN levý | DIN pravý |
| Tvar příruby | | kulaté |
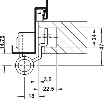
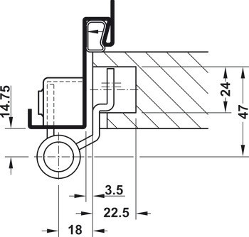
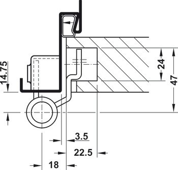
| Tloušťka příruby | | 3,50 mm |
| Průměr patice | | 22,50 mm |
| Typ ložiska | | Axiálně-radiální kluzné ložisko, bezúdržbové |
| Výška příruby | | 196 mm |
| Průměr frézovacího bitu | | 24,00 mm |
| Poloměr | | 12,00 mm |
| Pro typ zárubně | Ocelový rám |
| Max. hmotnost dveří pro 2 závěsy | | 160,00 kg |
| Délka patice | 160,00 mm |