




1 kryt a krycí deska, VX 7560, ochrana prstů
1 zástrčka
2 šrouby se zápustnou hlavou

| Verze | pro dveře s požadavky na ochranu proti zachycení |
|---|---|
| Barva/povrchová úprava | Barva nerez |
| Rozsah použití | Pro dřevěné zárubně |
| Materiál | Ocel |
| Model | VX 7099 |
| Pin Diameter | 10.00 mm |
| Modely | VX 7099 |
| Montáž | Pro použití na DIN levé a DIN pravé straně |
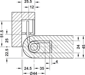
| Tvar příruby | kulaté |
| Tloušťka příruby | 3.50 mm |
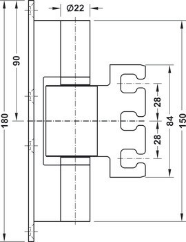
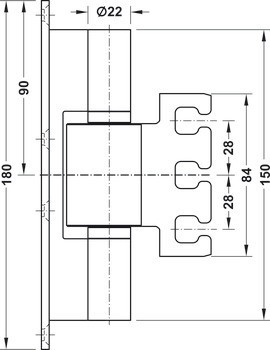
| Průměr patice | 44.00 mm |
| Typ ložiska | Axiálně-radiální kluzné ložisko, bezúdržbové |
| Výška příruby | 180 mm / 84 mm |
| Průměr frézovacího bitu | 24.00 mm |
| Poloměr | 12.00 mm |
| Pro typ zárubně | Dřevěný rám |
| Max. hmotnost dveří pro 2 závěsy | 120.00 kg |
| Délka patice | 150.00 mm |