








| Verze | Drážka pro obvodové těsnění dveří |
|---|---|
| Barva/povrchová úprava | | Černý, matný | matný | leštěné, mosaz | matný, nikl |
| Rozsah použití | Pro dřevěné, ocelové nebo hliníkové zárubněpro falcové zvukotěsné dveře |
| Materiál | | Nerez | Ocel |
| Model | VX 7939/160 FD |
| Pin Diameter | 10,00 mm | 10.00 mm | 10,0 mm |
| Modely | VX 7939/160 FD |
| Montáž | Pro použití na DIN levé a DIN pravé straně |
| Tvar příruby | kulaté |
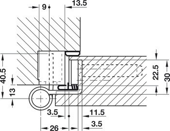
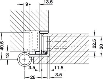
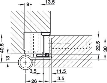
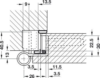
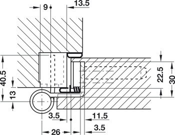
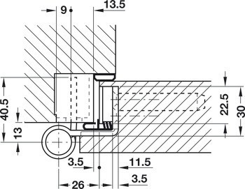
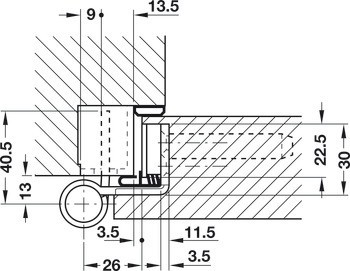
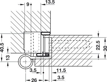
| Tloušťka příruby | 3,50 mm | 3.50 mm | 3,5 mm |
| Průměr patice | 22,50 mm | 22.50 mm | 22,5 mm |
| Typ ložiska | Axiálně-radiální kluzné ložisko, bezúdržbové |
| Výška příruby | 160 mm / 84 mm |
| Průměr frézovacího bitu | 24,00 mm | 24.00 mm | 24,0 mm |
| Poloměr | 12,00 mm | 12.00 mm | 12,0 mm |
| Pro typ zárubně | Ocelový rám|Dřevěný rám|Hliníkový rámeček |
| Max. hmotnost dveří pro 2 závěsy | 200,00 kg | 200.00 kg | 200,0 kg |
| Norma | Vydání EN 1935:2002 |
| Třída | 4|7|7|1|1|4|1|14 | 4|7|7|1|1|0|1|14 |
| Poznámka | Odolnost proti korozi 0/1/4:0 = ocel, leštěná mosaz/matný nikl1 = ocel, matný chrom4 = saténový nerez |
| Délka patice | 160,00 mm | 160.00 mm | 160,0 mm |
| Hloubka frézování | 11,50 mm | 11.50 mm | 11,5 mm |