






| Verze | | Šířka příruby 35 mm (volitelně) | Šířka příruby 25 mm (volitelně) |
|---|---|
| Barva/povrchová úprava | | matný |
| Rozsah použití | | Pro dřevěné zárubněpro bezfalcové objektové dveře |
| Materiál | | Nerez |
| Model | | DHB 1100 |
| Pin Diameter | | 10,00 mm | 10,0 mm |
| Modely | DHB 1100 |
| Montáž | | Pro použití na DIN levé a DIN pravé straně |
| Tvar příruby | | kulaté |
| Tloušťka příruby | | 3,00 mm | 3,0 mm |
| Průměr patice | | 20,00 mm | 20,0 mm |
| Typ ložiska | | Plastové kluzné ložisko, bezúdržbové |
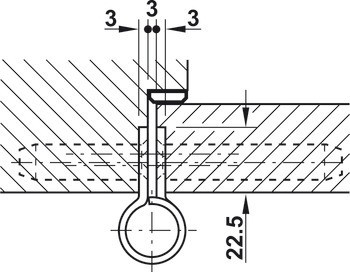
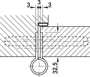
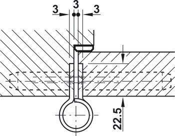
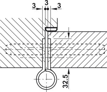
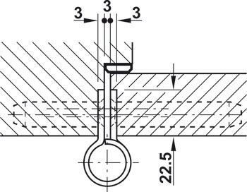
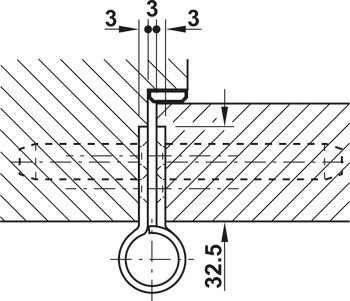
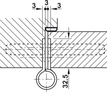
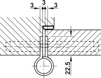
| Výška příruby | | 100 mm |
| Průměr frézovacího bitu | | 24,00 mm | 24,0 mm |
| Poloměr | | 12,00 mm | 12,0 mm |
| Pro typ zárubně | Dřevěný rám |
| Max. hmotnost dveří pro 2 závěsy | | 100,00 kg | 100,0 kg |
| Norma | | Vydání EN 1935:2002 |
| Třída | 4|7|5|1|1|4|0|12 |
| Poznámka | Odolnost proti korozi 3/4:3 = ocel, barva niklu, matný lak4 = saténový nerez |
| Šířka příruby | | 25 mm | 35 mm |
| Délka patice | 100,00 mm | 100,0 mm |
| Pojistka | | s integrovaným dvojitým bezpečnostním čepem |