






| Barva/povrchová úprava | | Černý, matný | matný |
|---|---|
| Rozsah použití | | pro dřevěné, ocelové nebo hliníkové zárubně,pro bezfalcové objektové dveře |
| Materiál | | Nerez |
| Model | | DHX 1160 |
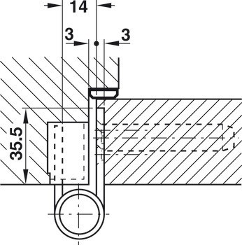
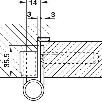
| Pin Diameter | | 10,00 mm |
| Modely | DHX 1160 |
| Montáž | | Pro použití na DIN levé a DIN pravé straně |
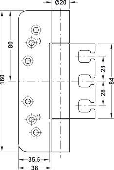
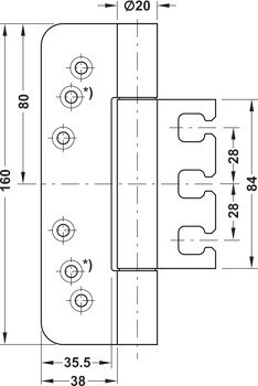
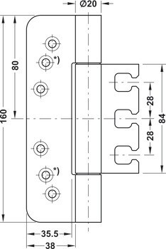
| Tvar příruby | | kulaté |
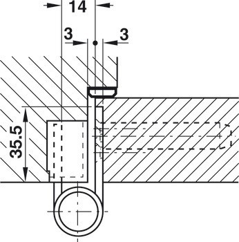
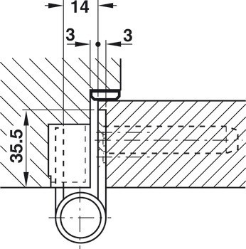
| Tloušťka příruby | | 3,00 mm |
| Průměr patice | | 20,00 mm |
| Typ ložiska | | Plastové kluzné ložisko, bezúdržbové |
| Výška příruby | | 160 mm / 84 mm |
| Průměr frézovacího bitu | | 24,00 mm |
| Poloměr | | 12,00 mm |
| Pro typ zárubně | Ocelový rám|Dřevěný rám|Hliníkový rámeček |
| Max. hmotnost dveří pro 2 závěsy | | 160,00 kg |
| Norma | | Vydání EN 1935:2002 |
| Třída | 4|7|7|1|1|4|1|14 |
| Poznámka | Odolnost proti korozi 3/4:3 = ocel, lakovaná barva hliníku4 = saténový nerez |
| Délka patice | 160,00 mm |
| Pojistka | | s integrovaným dvojitým bezpečnostním čepem |