









| Barva/povrchová úprava | | Černý | nikl |
|---|---|
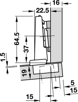
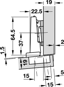
| Rozsah použití | Pro tlusté a profilové dveře do 32 mm |
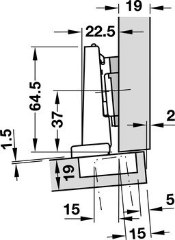
| Montáž | Dveře na korpusu bez nářadí s klip systémem |
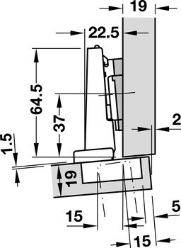
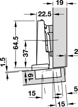
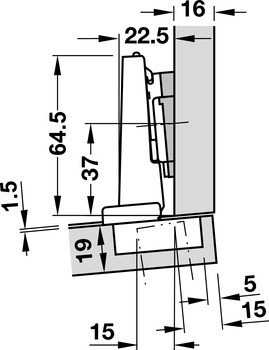
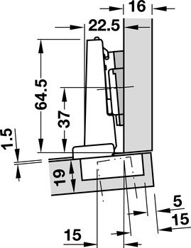
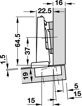
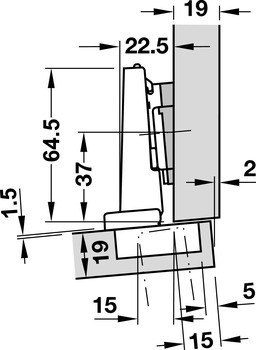
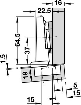
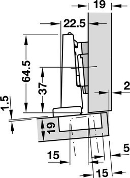
| Zařízení pro nastavení | Side adjustment 2 mm, Height adjustment -3 – 3 mm, Výškové nastavení podle montážní podložky |
| Materiál | Ocel |
| Typ zalomení | Velmi zalomené |
| Pro materiál dveří | dřevo |
| Verze nábytkového závěsu | vložka |
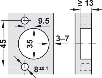
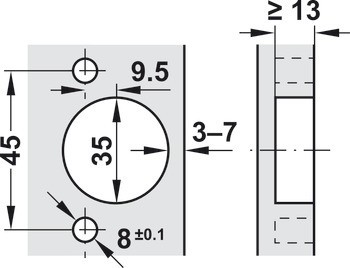
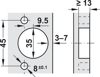
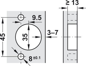
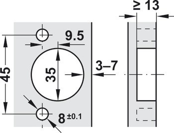
| Zpracování dveří pro sestavení | s vrtáním misky |
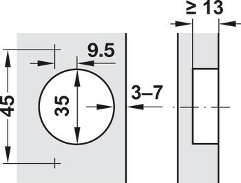
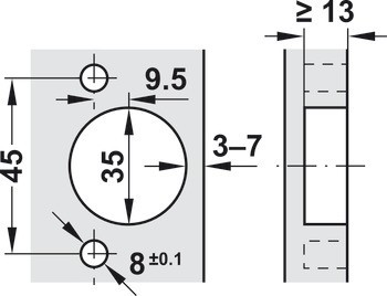
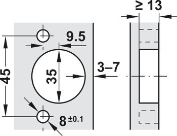
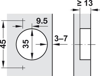
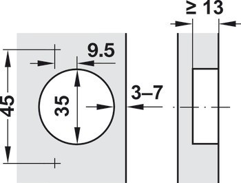
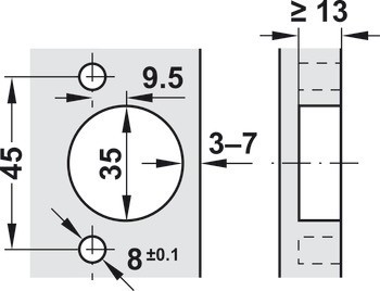
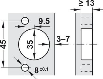
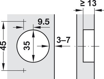
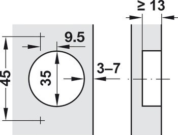
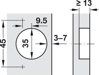
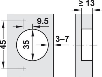
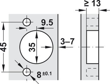
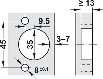
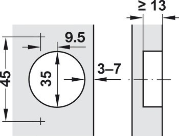
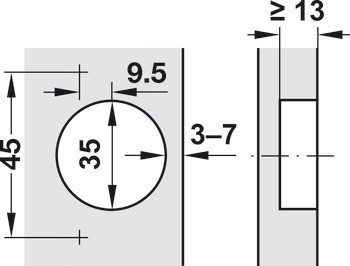
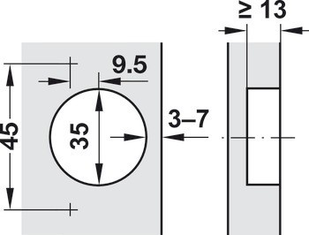
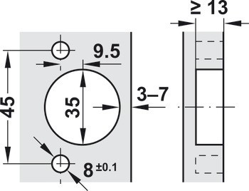
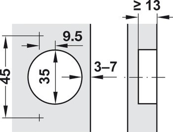
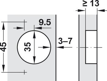
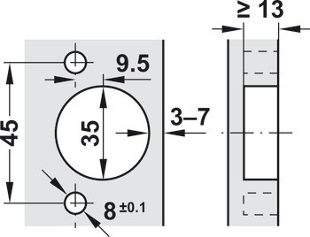
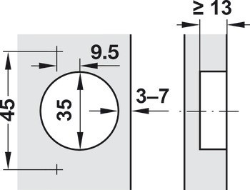
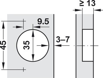
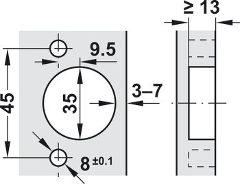
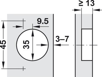
| Hloubka vrtání misky | 13,00 mm | 13.0 mm |
| Verze | S automatickou dovírací mechanikou, s mechanismem tlumeného zavírání (lze deaktivovat) |
| Montáž misky závěsu | | K nalisování | k přišroubování | Bez nářadí (Inserta) |
| Úhel otevření | 95° |
| Model No. | | 71B9750 | 71B9780 | 71B9790 |
| Vzor vrtání | 45/9,5 |
| Průměr vrtání misky | 35,00 mm | 35.0 mm |