




2 vozíky (včetně příruby k nacvaknutí vlevo a vpravo)
1 rovné prahové podlahové vedení
2 dorazy kolejnice s přídržnou pružinou

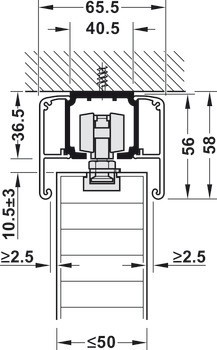
| Rozsah použití | pro 1křídlé a 2křídlé posuvné dveře |
|---|---|
| Model | | 160C |
| Zařízení pro nastavení | Nastavitelná výška dveří |
| Pro materiál dveří | | dřevo |
| Počet dveří v systému max. | | 1 až 2 |
| Počet dveří | | 1.00 |
| Mechanismus tlumeného zavírání | | bez mechanismu tlumeného dotahu |
| Pro hmotnost dveří | ≤160 kg |
| Poloha pojezdu | Nahoře |
| Zpracování dveří | | S výřezem |
| Montáž | | Spojení upínací svorkou (bez nářadí) |
| Typ montáže | | Montáž na strop, Montáž na stěnu |
| Zařízení pro nastavení | | nastavení výšky |