








| Barva/povrchová úprava | nikl |
|---|---|
| Rozsah použití | Pro velké naložení dveří do 20 mm |
| Montáž | Dveře na korpusu bez nářadí s klip systémem |
| Zařízení pro nastavení | Side adjustment ±2 mm, Height adjustment ±3 mm, Depth adjustment -2/+3 mm, Výškové nastavení podle montážní podložky |
| Materiál | Ocel |
| Typ zalomení | Rovné |
| Pro materiál dveří | Dřevo |
| Verze nábytkového závěsu | plně naložené |
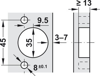
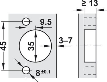
| Zpracování dveří pro sestavení | s vrtáním misky |
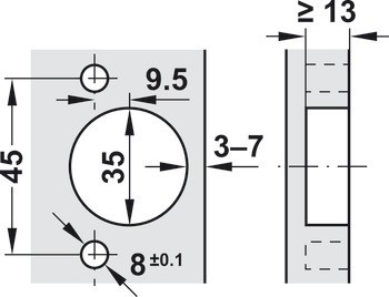
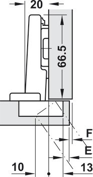
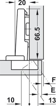
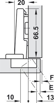
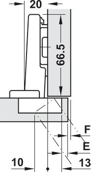
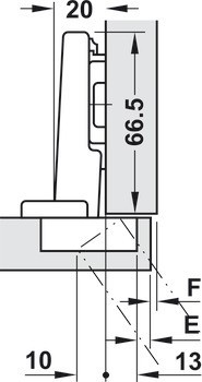
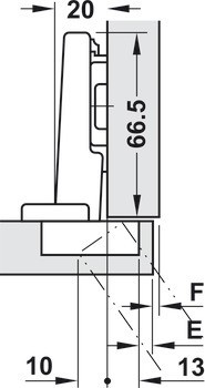
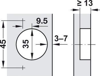
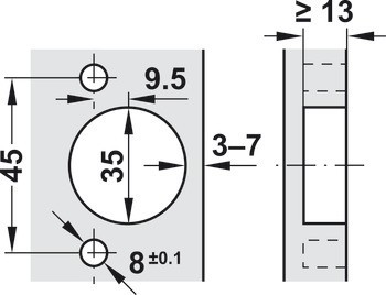
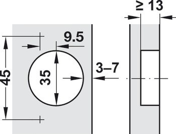
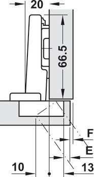
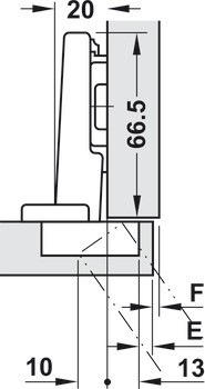
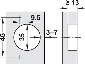
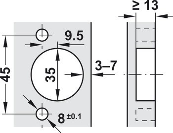
| Hloubka vrtání misky | 13,00 mm | 13,0 mm |
| Verze | | S automatickou dovírací mechanikou, Bez mechanismu tlumení | Bez automatické zavírací pružiny, Bez mechanismu tlumení |
| Montáž misky závěsu | | K nalisování | k přišroubování | Bez nářadí (Inserta) |
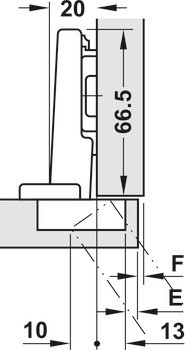
| Úhel otevření | 110° |
| Model No. | | 72T3550.TL | 72T3590.TL | 73T3580 | 73T3590 |
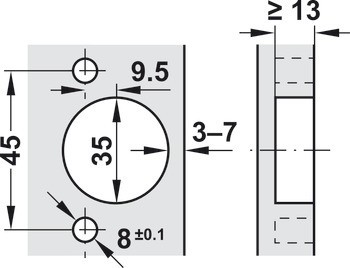
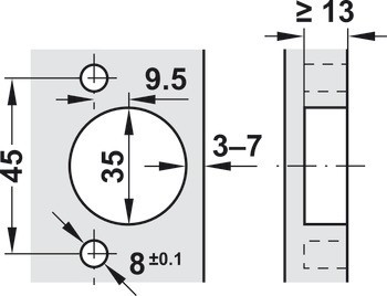
| Vzor vrtání | 45/9,5 |
| Průměr vrtání misky | 35,00 mm | 35,0 mm |