









| Barva/povrchová úprava | | Černý | nikl |
|---|---|
| Rozsah použití | Pro standardní aplikace |
| Montáž | Dveře na korpusu bez nářadí s klip systémem |
| Zařízení pro nastavení | Side adjustment ±2 mm, Height adjustment ±3 mm, Depth adjustment -2/+3 mm, Výškové nastavení podle montážní podložky |
| Materiál | Ocel |
| Typ zalomení | Rovné |
| Pro materiál dveří | dřevo |
| Verze nábytkového závěsu | plně naložené |
| Zpracování dveří pro sestavení | s vrtáním misky |
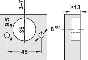
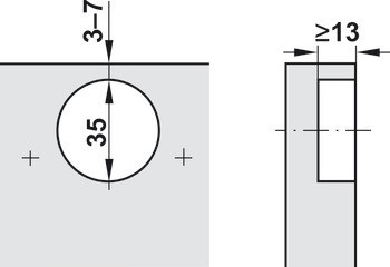
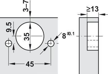
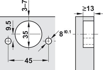
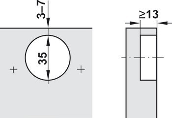
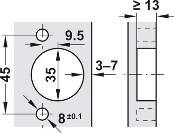
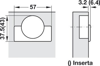
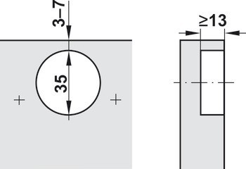
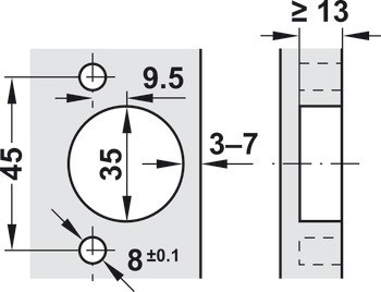
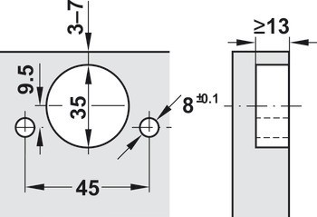
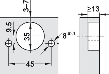
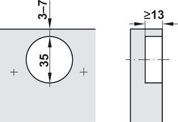
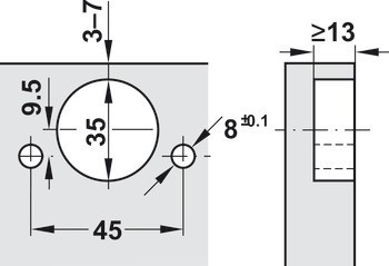
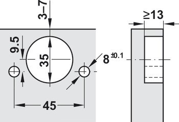
| Hloubka vrtání misky | | 13,00 mm | 13.0 mm | 13,0 mm |
| Verze | S automatickou dovírací mechanikou, s mechanismem tlumeného zavírání (lze deaktivovat) |
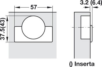
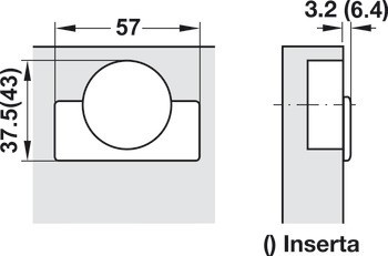
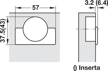
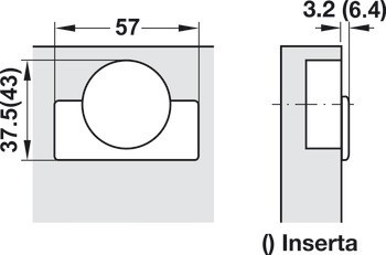
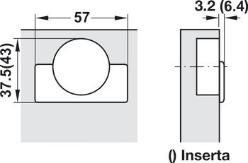
| Montáž misky závěsu | | K nalisování | k přišroubování | Bez nářadí (Inserta) |
| Úhel otevření | 110° |
| Model No. | | 71B3550 | 71B3580 | 71B3590 |
| Vzor vrtání | 45/9,5 |
| Průměr vrtání misky | | 35,00 mm | 35,0 mm | 35.0 mm |