









| Barva/povrchová úprava | | nikl | Onyxblack |
|---|---|
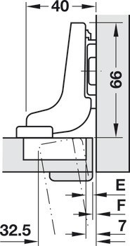
| Rozsah použití | Pro tlusté a profilové dveře do 32 mm |
| Montáž | Dveře na korpusu bez nářadí s klip systémem |
| Poznámka k montáži | Nastavte zpět polohu montážní podložky k přišroubování podle tloušťky dveří +1,5 mm. |
| Zařízení pro nastavení | Side adjustment ±2 mm, Height adjustment ±3 mm, Depth adjustment -2/+3 mm, Výškové nastavení podle montážní podložky |
| Materiál | Ocel |
| Typ zalomení | Velmi zalomené |
| Pro materiál dveří | Dřevo |
| Verze nábytkového závěsu | vložka |
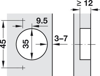
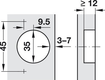
| Zpracování dveří pro sestavení | s vrtáním misky |
| Hloubka vrtání misky | | 12,00 mm | 13,00 mm | 12.00 mm |
| Verze | | S automatickou dovírací mechanikou, Bez mechanismu tlumení | Bez automatické zavírací pružiny, Bez mechanismu tlumení |
| Montáž misky závěsu | | K nalisování | k přišroubování | Bez nářadí (Inserta) |
| Úhel otevření | 95° |
| Model No. | | 71T9790B | 70T9750.TL | 71T9750 | 71T9780 |
| Vzor vrtání | 45/9,5 |
| Průměr vrtání misky | 35,00 mm | 35.00 mm |