









| Verze | s mechanismem dotahu |
|---|---|
| Barva/povrchová úprava | pozink, Pozink |
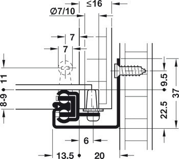
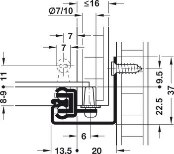
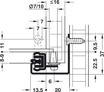
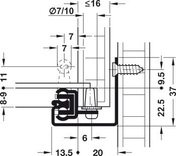
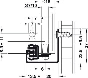
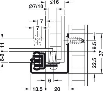
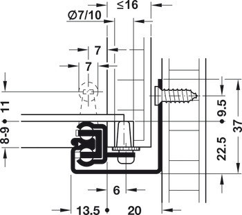
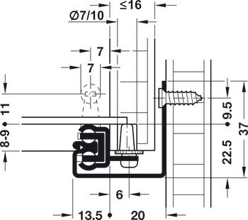
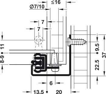
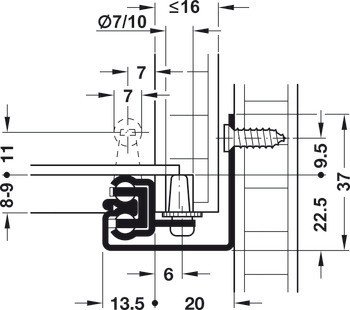
| Montáž | montáž na čep |
| Materiál | Ocel |
| Vlastnosti | s čelní podpěrou, s aretací pro zajištění v zavřené pozici |
| Model | TAF25 |
| Nosnost | 25,00 kg | 25.00 kg |
| Poznámka k nosnosti | Částečný výsuv lze vyměnit za plnovýsuv s nosností až 30 kg a montáží na čep. |
| Způsob vysunutí | Částečný výsuv |
| Comfort functions | Samozavírací | Push-to-Open | Tlumené zavírání, Samozavírací |
| Délka zásuvky | | 500,00 mm | 450,00 mm | 450.00 mm | 350,00 mm | 300.00 mm | 400.00 mm | 550.00 mm | 350.00 mm | 250.00 mm | 325.00 mm |