




1 zámek se závorou k přišroubování
2 klíče
1 rozeta zámku
Zamykací plán se zamykacími systémy


| Verze | | S pevnou vložkou s pinovými stavítky |
|---|---|
| Barva/povrchová úprava | | Tělo: lesklý niklVložka: matný nikl, Tělo: lesklý niklvložka: matný nikl |
| Montáž | | K přišroubování |
| Materiál | | Tělo zámku: ocelvložka: mosaz |
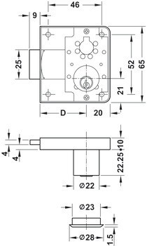
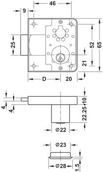
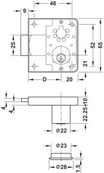
| Poznámka k montáži | | Backset (D) je při použití "zásuvkové verze" zmenšen o 3 mm. |
| Uzamykací série | | Je možných 20000 různých uzamykacích sérií |
| Tvar vložky | | Kruhová vložka |
| Průměr vložky | | 22,00 mm | 22,0 mm |
| Typ uzávěru | | s 5 pinovými stavítky |
| Zamykací systém | | Individuální uzamykací systém HK | Individuální uzamykací systém GHK |
| Backset | 40,00 mm | 40,0 mm |
| Rozměr zdvihu závory | | 9,00 mm | 9,0 mm |
| Délka těla vložky | | 22,25 mm |