









| Barva/povrchová úprava | | nikl | Onyxblack |
|---|---|
| Rozsah použití | Pro standardní aplikace |
| Montáž | Dveře na korpusu bez nářadí s klip systémem |
| Zařízení pro nastavení | Side adjustment ±2 mm, Height adjustment ±3 mm, Depth adjustment -2/+3 mm, Výškové nastavení podle montážní podložky |
| Materiál | Ocel |
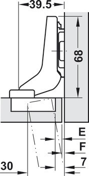
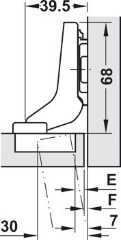
| Typ zalomení | Velmi zalomené |
| Pro materiál dveří | Dřevo |
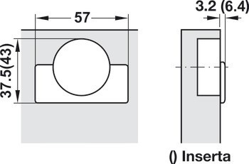
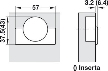
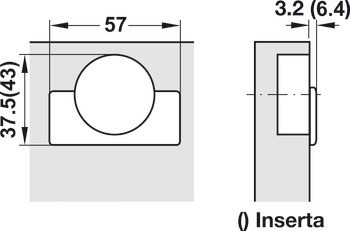
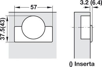
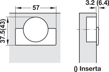
| Verze nábytkového závěsu | vložka |
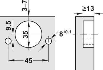
| Zpracování dveří pro sestavení | s vrtáním misky |
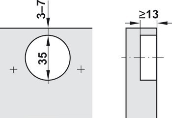
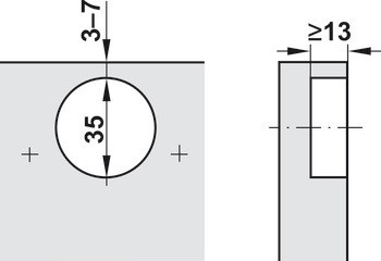
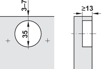
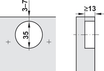
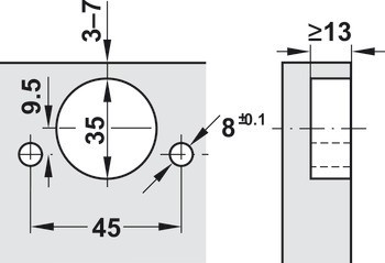
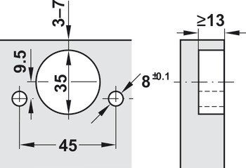
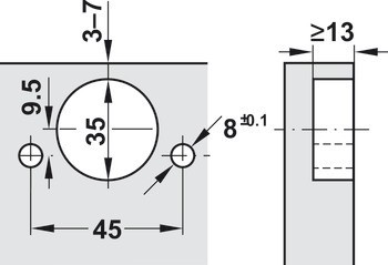
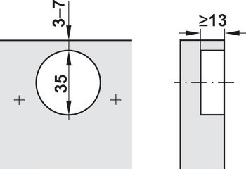
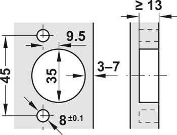
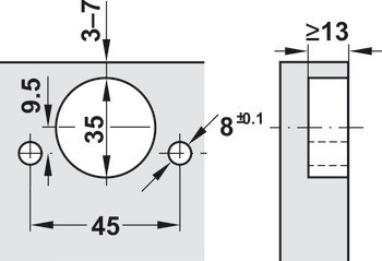
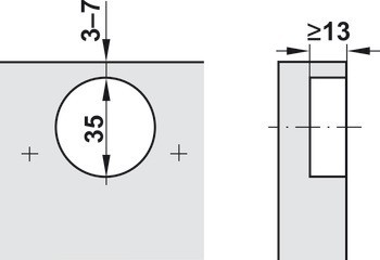
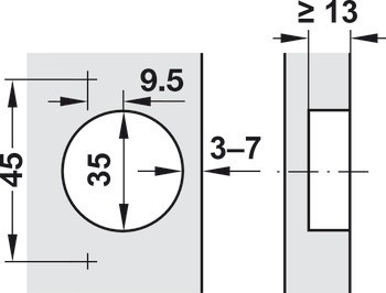
| Hloubka vrtání misky | | 13,00 mm | 13.00 mm |
| Verze | S automatickou dovírací mechanikou, s mechanismem tlumeného zavírání (lze deaktivovat) |
| Montáž misky závěsu | | K nalisování | k přišroubování | Bez nářadí (Inserta) |
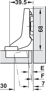
| Úhel otevření | 110° |
| Model No. | | 71B3750 | 71B3780 | 71B3790 |
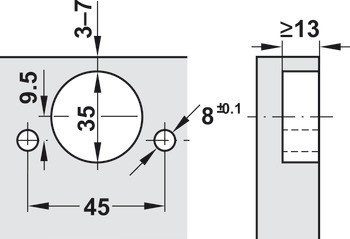
| Vzor vrtání | 45/9,5 |
| Průměr vrtání misky | | 35,00 mm | 35.00 mm |