









| Barva/povrchová úprava | | Černý | nikl |
|---|---|
| Rozsah použití | Pro standardní aplikace |
| Montáž | Dveře na korpusu bez nářadí s klip systémem |
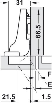
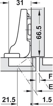
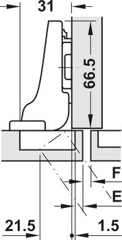
| Zařízení pro nastavení | Side adjustment ±2 mm, Height adjustment ±3 mm, Depth adjustment -2/+3 mm, Výškové nastavení podle montážní podložky |
| Materiál | Ocel |
| Typ zalomení | Zalomené |
| Pro materiál dveří | dřevo |
| Verze nábytkového závěsu | Polonaložená montáž/oboustranná montáž |
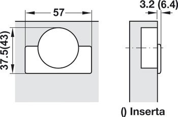
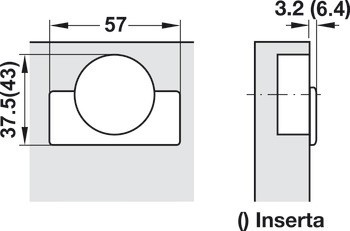
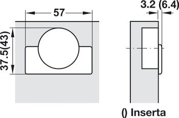
| Zpracování dveří pro sestavení | s vrtáním misky |
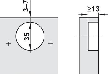
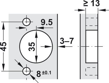
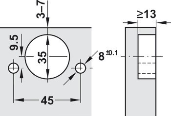
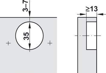
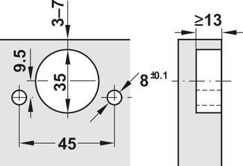
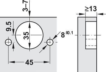
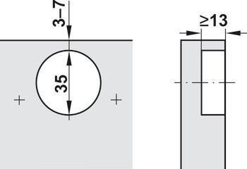
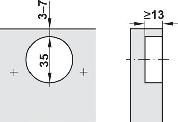
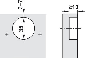
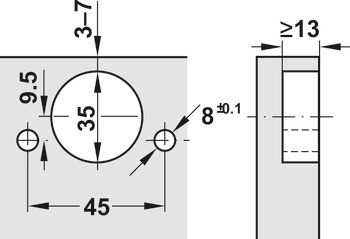
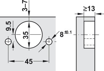
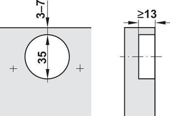
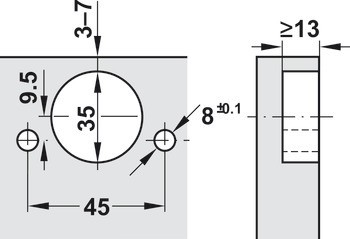
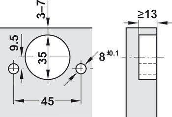
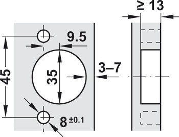
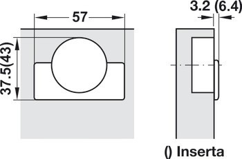
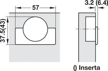
| Hloubka vrtání misky | 13,00 mm | 13.00 mm | 13.0 mm | 13,0 mm |
| Verze | S automatickou dovírací mechanikou, s mechanismem tlumeného zavírání (lze deaktivovat) |
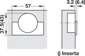
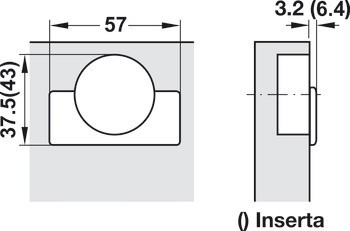
| Montáž misky závěsu | | K nalisování | k přišroubování | Bez nářadí (Inserta) |
| Úhel otevření | 110° |
| Model No. | | 71B3650 | 71B3680 | 71B3690 |
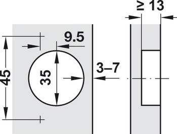
| Vzor vrtání | 45/9,5 |
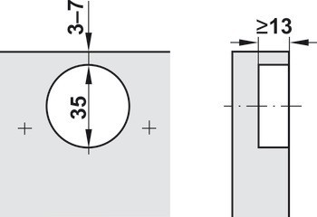
| Průměr vrtání misky | 35,00 mm | 35.00 mm | 35,0 mm | 35.0 mm |